Karcher HD 5/13 C (CX) - Manuale d'uso
 
                
                                    Lavatrice a pressione Karcher HD 5/13 C (CX) – Manuale d'uso, leggi gratuitamente online in formato PDF. Speriamo che questo ti aiuti a risolvere eventuali dubbi. Se hai ulteriori domande, contattaci tramite il modulo di contatto.
Indice:
- Pagina 6 – Indice; Contrassegno colore; Norme di sicurezza; Livelli di pericolo
- Pagina 7 – Simboli riportati sull’apparecchio; Uso conforme a destinazione; Pressostato; Protezione dell’ambiente
- Pagina 8 – Prima della messa in funzione; Montaggio degli accessori; Per gli apparecchi senza avvolgitubo:; Messa in funzione; Collegamento elettrico; Collegamento alla rete idrica
- Pagina 9 – Uso; Funzionamento ad alta pressione
- Pagina 10 – Metodo di pulizia consigliato; Trasporto
- Pagina 11 – Trasporto gru; Supporto; Controlli preventivi/Contratto di
- Pagina 12 – Guida alla risoluzione dei
- Pagina 13 – Accessori e ricambi; Direttive CE pertinenti
- Pagina 14 – Dati tecnici; Modello; Dimensioni e pesi
HD 5/12 C, HD 5/12 CX
HD 5/13 C, HD 5/13 CX
HD 5/15 C, HD 5/15 CX
HD 5/17 C, HD 5/17 CX
HD 6/13 C, HD 6/13 CX
59663790
11/15
355
ΔϳΒήόϠ
"Caricamento dell'istruzione" significa che è necessario attendere finché il file non è caricato e pronto per la lettura online. Alcune istruzioni sono molto grandi e il tempo di caricamento dipende dalla velocità della tua connessione a Internet.
Sommario
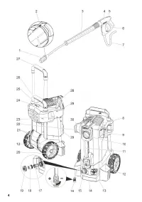
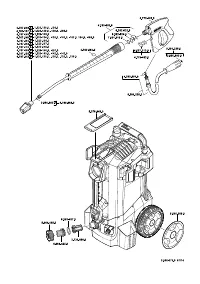
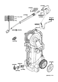
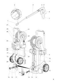
– 1 Prima di utilizzare l'apparecchio per la prima volta, leggere le presenti istruzioni originali, seguirle e con-servarle per un uso futuro o in caso di riven-dita dell'apparecchio. Si prega di aprire la pagina illustrata1 Ugello2 Marcatura dell'ugello3 Lancia4 Pistola a spruzzo5 Leva di sicurezza...
– 2 Getti ad alta pressione possono risultare pericolosi se usati in modo non conforme a destinazione. Il getto non va mai puntato su persone, animali, equipaggiamenti elettrici attivi o sull'appa-recchio stesso. Secondo quanto prescritto dalle regolamentazioni in vigore è ne-cessario che l'apparecc...
– 3 Avvertenze sui contenuti (REACH) Informazioni aggiornate sui contenuti sono disponibili all'indirizzo: www.kaercher.com/REACH  Fissare i coprimozzi.  Montare l'ugello sulla lancia (marcature sull'anello di regolazione superiore).  Collegare la lancia alla pistola a spruz-zo.  Allentare lo sb...
 
                     
                     
                     
                     
                     
                     
                     
                     
                     
                     
                     
                     
                     
                     
                     
                     
                     
                     
                     
                     
                     
                     
                     
                     
                     
                     
                     
                     
                     
                     
                     
                     
                     
                     
                     
                     
                     
                     
                     
                     
                     
                     
                     
                     
                     
                     
                     
                     
                     
                     
                     
                     
                     
                     
                     
                     
                     
                                                                         
                                                                         
                                                                         
                                                                         
                                                                         
                                                                         
                                                                         
                                                                         
                                                                        