Pagina 2 - Indice; Simboli riportati nel manuale d'uso
                                                                            – 1 Prima di utilizzare l'apparecchio per la prima volta, leggere le presenti istruzioni originali, seguirle e con-servarle per un uso futuro o in caso di riven-dita dell'apparecchio. Prima di procedere alla prima messa in fun-zione leggere tassativamente le norma di sicurezza n. 5.951-949!  Perico...
                                                                     
                                                                                            
                                    Pagina 3 - Uso conforme a destinazione; Valvola di troppopieno; Protezione dell’ambiente
                                                                            – 2 gas esplosivi o infiammabili, liquidi e polveri (polveri reattive),Polveri di metallo reattive (ad es. allumi-nio, magnesio, zinco) formano insieme a detergenti fortemente alcalini ed acidi gas esplosivi.acidi e soluzioni alcaline allo stato puro,soluzioni organiche (ad es. benzina, di-luenti pe...
                                                                     
                                                                                            
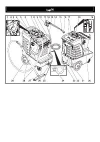
                                    Pagina 4 - Parti dell'apparecchio
                                                                            – 3 1 Tubo flessibile di aspirazione2 Filtro con sfera del galleggiante3 Serbatoio acqua sporca4 Archetto di spinta5 Tubo flessibile di riempimento acqua pulita 6 Raccordo tubo flessibile di aspirazione7 Quadro di controllo8 Attacco alta pressione 9 Ripiano tubo flessibile10 Leva della pistola a spr...
                                                                     
                                                                                            
                                    Pagina 5 - Quadro di controllo; Prima della messa in funzione; Disimballaggio; Messa in funzione; lita
                                                                            – 4 1 Raccordo tubo flessibile di aspirazione2 Interruttore funzione aspirazione3 Fusibile turbina di aspirazione4 Interruttore dell'apparecchio5 Fusibile pompa6 Interruttore pompa, posizione alta pres- sione 7 Interruttore pompa, posizione bassa pressione 8 Valvola di dosaggio detergente9 Attacco a...
                                                                     
                                                                                            
                                    Pagina 6 - Detergente
                                                                            – 5 몇 Attenzione L’uso di prodotti detergenti non adatti può provocare danni all’apparecchio e all’og-getto da pulire. Usare solo detergenti auto-rizzati dalla ditta Kärcher. Rispettare le indicazioni relative al dosaggio e le avver-tenze fornite con i detergenti. Per salva-guardare l'ambiente non e...
                                                                     
                                                                                            
                                    Pagina 7 - Uso; Applicare la soluzione detergente; Interrompere il funzionamento; Funzionamento ad alta pressione; Svuotare i serbatoi
                                                                            – 6  Pericolo Rischio di esplosione!Non nebulizzare alcun liquido infiammabi-le.In caso di utilizzo dell'apparecchio in am-bienti a rischio (per es. stazioni di servizio) devono essere rispettate le relative norme di sicurezza. Attenzione Pulire i motori solo in presenza di un sepa-ratore d'olio (t...
                                                                     
                                                                                            
                                    Pagina 8 - Antigelo; Trasporto; Controlli preventivi/Contratto di
                                                                            – 7 Î Portare l'apparecchio verso il dispositi-vo di smaltimento per il liquido. Î Rimuovere dal supporto il tubo di scari-co dell'acqua sporca e abbassare su di un dispositivo di raccolta adeguato. Î Scaricare l'acqua aprendo il dispositivo di dosaggio del tubo di scarico. Î Rimuovere il coperchio ...
                                                                     
                                                                                            
                                    Pagina 9 - A lavoro ultimato
                                                                            – 8 Î Controllare eventuali danneggiamenti del tubo flessibile altra pressione (peri-colo di scoppio).Sostituire immediatamente eventuali tubi flessibili alta pressione danneggiati. Î Controllare se il tubo flessibile di aspira-zione non sia usurato ed otturato. Î Verificare che le guarnizioni sul c...
                                                                     
                                                                                            
                                    Pagina 10 - Guida alla risoluzione dei; Guasto
                                                                            – 9  Pericolo Pericolo di lesioni causato dall'azionamen-to accidentale dell'apparecchio e da scosse elettriche. Disattivare l'apparecchio ed estrarre la spi-na di alimentazione prima di effettuare in-terventi sull'apparecchio.Far verificare e riparare i componenti elet-trici solo dal servizio clie...
                                                                     
                                                                                            
                                    Pagina 11 - Direttive CE pertinenti
                                                                            – 10 – Impiegare esclusivamente accessori e ricambi autorizzati dal produttore. Ac-cessori e ricambi originali garantiscono che l’apparecchio possa essere impie-gato in modo sicuro e senza disfunzio-ni. – La lista dei pezzi di ricambio più comuni è riportata alla fine del presente manua-le d'uso. – ...
                                                                     
                                                                                            
                                    Pagina 12 - Dati tecnici; Collegamento alla rete
                                                                            – 11 Dati tecnici Collegamento alla rete Tensione V 230 Tipo di corrente Hz 1~ 50 Potenza allacciata kW 1,6 Protezione (ritardo, caratt. C) A 16 Grado di protezione IPX5 Prolunga 30 m mm 2 1,5 Pompa alta pressione Assorbimento di potenza W 370 Pressione di esercizio MPa (bar) 0,6...1,94 (6...19,4) M...