Karcher HD 10/16-4 Cage Ex 1.353-762 - Manuale d'uso

Lavatrice a pressione Karcher HD 10/16-4 Cage Ex 1.353-762 – Manuale d'uso, leggi gratuitamente online in formato PDF. Speriamo che questo ti aiuti a risolvere eventuali dubbi. Se hai ulteriori domande, contattaci tramite il modulo di contatto.
Indice:
- Pagina 4 – Condizioni particolari nelle zone Ex
- Pagina 5 – Dispositivi di sicurezza
- Pagina 6 – Uso; Norme di sicurezza
- Pagina 7 – Ugello a getto circolare; A lavoro ultimato
- Pagina 8 – Trasporto; Guidare; Cura e manutenzione; nutenzione
- Pagina 9 – Intervalli di manutenzione; Ogni giorno; Lavori di manutenzione; Pulire il filtro del collegamento idrico; Schema di manutenzione; Pezzi soggetti ad usura; Guida alla risoluzione dei; L'apparecchio non funziona
- Pagina 11 – Direttive CE pertinenti
- Pagina 12 – Dati tecnici
- Pagina 13 – Servizio assistenza; Data messa in funzione:
Deutsch
3
English
14
Français
25
Italiano
36
Nederlands
47
Español
58
Português
70
Dansk
81
Norsk
92
Svenska
102
Suomi
113
Ελληνικά
124
Türkçe
136
Ру
cc
кий
147
Magyar
160
Č
eština
171
Slovenš
č
ina
182
Polski
193
Române
ş
te
205
Sloven
č
ina
216
Hrvatski
227
Srpski
238
Български
249
Eesti
262
Latviešu
273
Lietuviškai
284
Українська
295
HD 10/16-4 Cage
5.962-435.0 2017499
09/07
"Caricamento dell'istruzione" significa che è necessario attendere finché il file non è caricato e pronto per la lettura online. Alcune istruzioni sono molto grandi e il tempo di caricamento dipende dalla velocità della tua connessione a Internet.
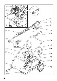
Sommario
Italiano 37 23 Ugello a getto circolare (Bocchetta detergente) 24 Ugello Power (con supporto a due bor- di) 25 Ugello di ricambio26 Lancia L'apparecchio è stato realizzato special-mente per operare in ambienti a rischio esplosione (Zona 1 e Zona 2).Utilizzate questa idropulitrice esclusiva-mente:– p...
38 Italiano I dispositivi di sicurezza servono alla prote-zione dell'utente e non devono essere mes-si fuori servizio o essere utilizzati al di fuori della loro funzione. Impedisce l'azionamento accidentale dell'apparecchio. Spegnere l'apparecchio durante eventuali pause di lavoro e a lavoro termina...
Italiano 39 – Collegamenti: vedi Dati tecnici.– Il collegamento elettrico va eseguito da un'elettricista qualificato e deve essere conforme alla norma IEC 60364-1. – L'apparecchio è dotato di serie di una spina EEx. Se la presa elettrica non corrisponde a questa spina, è necessa-rio che l'adattament...