Pagina 3 - Italiano; Indice; Protezione dell’ambiente
Italiano – 1 Prima di utilizzare l'apparecchio per la prima volta, leggere le presenti istruzioni originali, seguirle e con-servarle per un uso futuro o in caso di riven-dita dell'apparecchio. – Prima di procedere alla prima messa in funzione leggere tassativamente le nor-ma di sicurezza n. 5.951-94...
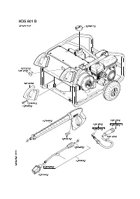
Pagina 4 - Parti dell'apparecchio
– 2 vedi copertina1 Ugello alta pressione2 Lancia3 Pistola a spruzzo con dispositivo di ar- resto di sicurezza 4 Maniglia5 Contenitore con addolcitore *6 Ripiano ugello7 Contatore ore di funzionamento *8 Ruota pivottante con freno di staziona- mento 9 Targhetta10 Scaldaacqua rapido11 Pompa di alimen...
Pagina 5 - Norme di sicurezza; Norme di sicurezza generali
– 3 Pericolo Rischio di lesioni! Per apparecchi impiegati presso stazioni di servizio o in altre zone di pericolo, osservare le disposizioni di sicu-rezza vigenti. Pericolo – Non adoperare l’idropulitrice dove sia stato rovesciato accidentalmente del carburante, ma trasportare altrove l’ap-parec...
Pagina 6 - Dispositivi di sicurezza
– 4 I dispositivi di sicurezza servono alla prote-zione dell'utente e non devono essere di-sattivati o impiegati per scopi diversi da quelli indicati. La protezione mancanza acqua impedisce il surriscaldamento del bruciatore in man-canza d'acqua. Il bruciatore si attiva solo in presenza di adeguato ...
Pagina 7 - Aggiungere combustibile
– 5 AttenzionePericolo di danneggiamento della pompa combustibile causato da un eventuale fun-zionamento a secco. Riempire il serbatoio del combustibile anche con funzionamento ad acqua fredda. Pericolo Rischio di esplosione! Aggiungere esclusi-vamente carburante diesel o gasolio legge-ro. Combust...
Pagina 8 - Montaggio tubo ad alta pressione di; Uso
– 6 Fig. A-C Utilizzare un cacciavite per estrarre il fermaglio di sicurezza della pistola a spruzzo (figura A). Posizionare la pistola a spruzzo sulla te-stata e inserire l'estremità del tubo flessi-bile alta pressione fino all'arresto. Accertarsi che la rondella sfusa dell'estre-mità del tubo ...
Pagina 10 - Interrompere il funzionamento
– 8 Appendere il tubo flessibile di aspirazio-ne detergente in un contenitore con so-luzione detergente. Impostare l'ugello su "CHEM". Impostare la valvola di dosaggio deter-gente sul grado di concentrazione desi-derato. – Sciogliere lo sporco:Spruzzare misuratamente il detergente e la...
Pagina 11 - Supporto; Intervalli di manutenzione
– 9 AttenzionePericolo di lesioni e di danneggiamento! Ri-spettare il peso dell'apparecchio durante la conservazione. AttenzionePericolo di lesioni e di danneggiamento! Ri-spettare il peso dell'apparecchio durante il trasporto. Per il trasporto in veicoli, assicurare l'apparecchio secondo le diret...
Pagina 15 - Dati tecnici
– 13 Dati tecnici MotoreMotore a benzina Honda -- GX 160, 1 cilindro, 4 fasi Potenza nominale: 3600 1/min kW/CV 4 / 5,5 Numero giri di esercizio 1/min 3300 Collegamento all'acquaTemperatura in entrata (max.) °C 30 Portata (min.) l/h (l/min) 750 (12,5) Pressione in entrata (max.) MPa (bar) 0,6 (6) Lu...