Karcher HD 801 B - Manuale d'uso
 
                
                                    Lavatrice a pressione Karcher HD 801 B – Manuale d'uso, leggi gratuitamente online in formato PDF. Speriamo che questo ti aiuti a risolvere eventuali dubbi. Se hai ulteriori domande, contattaci tramite il modulo di contatto.
Indice:
- Pagina 4 – Italiano; Indice; Descrizione generale; Simboli riportati nel manuale d'uso
- Pagina 5 – Norme di sicurezza; Protezione dell’ambiente
- Pagina 6 – Dispositivi di sicurezza
- Pagina 7 – Aspirare l'acqua dal contenitore; Uso; Accendere l’apparecchio
- Pagina 8 – Significato dei simboli; Funzionamento con detergente; Metodo di pulizia consigliato; Interrompere il funzionamento
- Pagina 9 – Olio consigliato e quantità: vedi Dati tecnici.; Spegnere l’apparecchio; Trasporto; Pompa alta pressione; Ogni settimana
- Pagina 10 – Guasti
- Pagina 11 – fuoriesce dal fondo; Ricambi
- Pagina 12 – Direttive CE pertinenti
- Pagina 13 – Dati tecnici; Modello
Register and win!
www
.kaercher
.com
HD 801 B
59614950
02/12
"Caricamento dell'istruzione" significa che è necessario attendere finché il file non è caricato e pronto per la lettura online. Alcune istruzioni sono molto grandi e il tempo di caricamento dipende dalla velocità della tua connessione a Internet.
Sommario
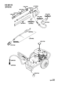
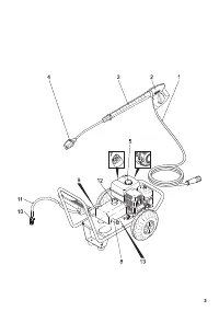
Italiano – 1 Prima di utilizzare l'apparecchio per la prima volta, leggere le presenti istruzioni originali, seguirle e con-servarle per un uso futuro o in caso di riven-dita dell'apparecchio.Eventuali danni da trasporto vanno comu-nicati immediatamente al proprio rivendito-re. 1 Tubo flessibile alt...
– 2  Pericolo – Non adoperare l’idropulitrice dove sia stato rovesciato accidentalmente del carburante, ma trasportare altrove l’ap-parecchio ed evitare qualsiasi formazio-ne di scintille. – Non conservare, spandere accidental-mente o usare il carburante nelle vici-nanze di fiamme libere o apparecc...
– 3 I dispositivi di sicurezza servono alla prote-zione dell'utente e non devono essere di-sattivati o impiegati per scopi diversi da quelli indicati. Quando la pistola a spruzzo è chiusa, la valvola di troppopieno si apre, facendo ri-fluire l’acqua verso il lato di aspirazione del-la pompa alta pre...
 
                     
                     
                     
                     
                     
                     
                     
                     
                     
                     
                     
                     
                     
                     
                     
                     
                     
                                                                         
                                                                         
                                                                         
                                                                         
                                                                         
                                                                         
                                                                         
                                                                         
                                                                        