Karcher HD 1040 B - Manuale d'uso
 
                
                                    Lavatrice a pressione Karcher HD 1040 B – Manuale d'uso, leggi gratuitamente online in formato PDF. Speriamo che questo ti aiuti a risolvere eventuali dubbi. Se hai ulteriori domande, contattaci tramite il modulo di contatto.
Indice:
- Pagina 3 – Italiano; Indice; Protezione dell’ambiente
- Pagina 4 – Norme di sicurezza; Simboli riportati nel manuale d'uso
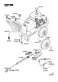
- Pagina 5 – Dispositivi di sicurezza
- Pagina 6 – Aspirare l'acqua dal contenitore; Uso
- Pagina 7 – Significato dei simboli
- Pagina 8 – Spegnere l’apparecchio; Trasporto; Pompa alta pressione; Ogni settimana
- Pagina 9 – Motore; Guida alla risoluzione dei; L'apparecchio non funziona
- Pagina 10 – fuoriesce dal fondo; Garanzia
- Pagina 11 – Dichiarazione di conformità CE; Direttive CE pertinenti
- Pagina 12 – Dati tecnici; Modello
HD 901 B
Register and win!
www
.kaercher
.com
HD 901 B
HD 1040 B
59614920
02/12
"Caricamento dell'istruzione" significa che è necessario attendere finché il file non è caricato e pronto per la lettura online. Alcune istruzioni sono molto grandi e il tempo di caricamento dipende dalla velocità della tua connessione a Internet.
Sommario
Italiano – 1 Prima di utilizzare l'apparecchio per la prima volta, leggere le presenti istruzioni originali, seguirle e con-servarle per un uso futuro o in caso di riven-dita dell'apparecchio. Avvertenze sui contenuti (REACH) Informazioni aggiornate sui contenuti sono disponibili all'indirizzo: www....
– 2 pericolo, osservare le disposizioni di sicu-rezza vigenti.  Prima di procedere alla prima messa in funzione leggere tassativamente le nor-ma di sicurezza n. 5.951-949!  Rispettare le norme nazionali vigenti per pompe a getto liquido.  Rispettare le norme nazionali vigenti per l'antinfortunist...
– 3 EN 12729 Tipo BA. L'acqua che scorre at-traverso un separatore di sistema non è classificata come acqua potabile. Attenzione Collegare il sezionatore del sistema sem-pre all’alimentazione idrica, mai diretta-mente all’apparecchio! I dispositivi di sicurezza servono alla prote-zione dell'utente e...
 
                     
                     
                     
                     
                     
                     
                     
                     
                     
                     
                     
                     
                     
                     
                     
                     
                     
                     
                     
                                                                         
                                                                         
                                                                         
                                                                         
                                                                         
                                                                         
                                                                         
                                                                         
                                                                        