Pagina 6 - Italiano; Indice; Protezione dell’ambiente
                                                                            Italiano – 1 Prima di utilizzare l'apparecchio per la prima volta, leggere le presenti istruzioni originali, seguirle e con-servarle per un uso futuro o in caso di riven-dita dell'apparecchio. – Prima di procedere alla prima messa in funzione leggere tassativamente le nor-ma di sicurezza n. 5.951-94...
                                                                     
                                                                                            
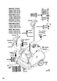
                                    Pagina 7 - Descrizione generale; Parti dell'apparecchio; Simboli riportati sull’apparec-; Solo modello HDS 551 C Eco; Uso conforme a destinazione
                                                                            – 2 Fig. 1 1 Cofano2 Supporto per lancia3 Foro di rabbocco per anticalcare (sotto il cofano)(non modello HDS 551 C Eco) 4 Indicatore livello olio5 Manometro6 Valvola di dosaggio e foro di rabbocco del detergente 7 Collegamento dell'acqua con filtro8 Tubo flessibile alta pressione9 Ruota pivottante c...
                                                                     
                                                                                            
                                    Pagina 9 - Messa in funzione
                                                                            – 4 몇 Attenzione Rischio di lesioni! L' apparecchio, le ali-mentazioni, il tubo flessibile alta pressione ed i collegamenti devono essere in perfetto stato. In caso contrario è vietato usare l'ap-parecchio.  Bloccare il freno di stazionamento.  Il cofano si apre spingendo verso il bas-so la chiusu...
                                                                     
                                                                                            
                                    Pagina 10 - Apparecchio con avvolgitubo
                                                                            – 5  Apparecchio senza avvolgitubo:Collegare il tubo flessibile alta pressio-ne all'attacco alta pressione dell'appa-recchio.  Apparecchio con avvolgitubo:Collegare il tubo alta pressione alla pi-stola a spruzzo.  Inserire la manovella nel perno dell' av-volgitubo.  Eliminare eventuali curvature...
                                                                     
                                                                                            
                                    Pagina 11 - Uso; Norme di sicurezza
                                                                            – 6 Montaggio della spina: – Il montaggio della spina deve essere ef-fettuato dal servizio assistenza clienti Kärcher o da un elettricista specializza-to.  Posizionare l'interruttore dell'apparec-chio su "0".  Inserire la spina di alimentazione. Attenzione Verificare sempre il senso di rot...
                                                                     
                                                                                            
                                    Pagina 12 - Regolare la temperatura di pulizia
                                                                            – 7  Impostare l'interruttore dell'apparecchio alla temperatura desiderata. Da 30 °C a 98 °C: – Pulire con acqua calda. Da 100 °C a 150 °C: – Pulire con vapore.  Sostituire l'ugello alta pressione con l'ugello vapore (si veda "Funzionamen-to con vapore“). Regolazione Servopress:  Posizionare ...
                                                                     
                                                                                            
                                    Pagina 13 - Metodo di pulizia consigliato
                                                                            – 8 – Sciogliere lo sporco:  Spruzzare misuratamente il detergente e lasciarlo agire per 1 ...5 minuti. Non lasciare che il prodotto asciughi sulla superficie. – Togliere lo sporco:  Sciacquare lo sporco sciolto con il getto alta pressione. Pulire lo sporco facile, sciacqui: attrezzi da giardinagg...
                                                                     
                                                                                            
                                    Pagina 14 - Deposito dell’apparecchio; Supporto
                                                                            – 9  Azionare la pistola a spruzzo fino a completa depressurizzazione dell'ap-parecchio.  Bloccare il dispositivo di sicurezza della pistola a spruzzo, Fig. 5 (A).  Innestare la lancia nel supporto del co-fano.  Arrotolare sia il tubo flessibile alta pres-sione che il cavo elettrico. Depositarli...
                                                                     
                                                                                            
                                    Pagina 15 - Intervalli di manutenzione; Ogni settimana; Lavori di manutenzione; Pulire il filtro del collegamento acqua.
                                                                            – 10 Disattivare l'apparecchio ed estrarre la spi-na di alimentazione prima di effettuare in-terventi sull'apparecchio.  Posizionare l'interruttore dell'apparec-chio su "0".  Chiudere l'alimentazione dell'acqua.  Azionare la pompa agendo sull'interrut-tore dell'apparecchio (per ca. 5 seco...
                                                                     
                                                                                            
                                    Pagina 16 - Guida alla risoluzione dei
                                                                            – 11  Pericolo Pericolo di lesioni causato dall'azionamen-to accidentale dell'apparecchio e da scosse elettriche.Disattivare l'apparecchio ed estrarre la spi-na di alimentazione prima di effettuare in-terventi sull'apparecchio. – Il serbatoio di combustibile è vuoto.  Riempirlo. – Il motore è sovr...
                                                                     
                                                                                            
                                    Pagina 20 - Dati tecnici
                                                                            – 15 Dati tecnici HDS 551 C Eco Collegamento alla rete Tensione V 220/230 240 240 220 Tipo di corrente Hz 1~ 50 1~ 50 1~ 50 1~ 60 Potenza allacciata kW 3,2 3,2 3,0 3,2 Protezione (ritardo di fusibile) A 16 15 13 16 Massima impedenza di rete consentita Ohm (0.328+j 0.205) Collegamento idrico Temperat...
                                                                     
                                                                                            
                                    Pagina 25 - Controlli ricorrenti; Controllo esterno Controllo interno
                                                                            – 20 Avviso: È necessario rispettare i termini di controllo previsti dalle relative disposizioni nazionali vigenti in materia. Controlli ricorrenti Controllo eseguito da: Controllo esterno Controllo interno Controllo della re-sistenza Nome Firma della perso-na autorizzata/Data Firma della perso-na a...