Pagina 6 - Quadro di controllo; Simboli riportati nel manuale
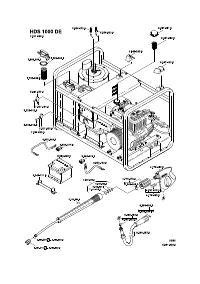
- 2 13 Regolazione pressione/portata14 Accumulatore a pressione15 Pompa di alimentazione combustibile con filtro per combustibile 16 Ventilatore bruciatore17 Quadro elettrico18 Spioncino per il controllo del livello olio19 Valvola di sicurezza20 Ugello bruciatore21 Scaldaacqua rapido22 Spina per can...
Pagina 7 - Norme di sicurezza; Norme generali
- 3 Pericolo Rischio di lesioni! Per apparecchi impiegati presso stazioni di servizio o in altre zone di pericolo, osservare le disposizioni di sicu-rezza vigenti. Pericolo – Non adoperare l’idropulitrice dove sia stato rovesciato accidentalmente del carburante, ma trasportare altrove l’ap-parec...
Pagina 8 - Dispositivi di sicurezza
- 4 – Il tubo flessibile alta pressione e il di-spositivo a spruzzo devono essere indi-cati per la sovrapressione massima indicata nei Dati tecnici. – Evitare il contatto con agenti chimici. – Controllare giornalmente il tubo alta pressione.Non utilizzare più tubi flessibili piegati.Se è visibile l'...
Pagina 9 - Aggiungere combustibile
- 5 Non adoperare l’apparecchio se il livello dell’olio è sceso sotto l’indicazione di “MIN”. Se necessario aggiungere olio. Riempire il serbatoio del carburante con benzina senza piombo. Non usare miscela per motori a due tempi. Rifornire il serbatoio carburante di car-burante diesel. 몇 Atten...
Pagina 10 - Batteria; Norme di sicurezza per l'uso di batterie; Carica della batteria
- 6 Durante l'utilizzo di batterie osservare as-solutamente le seguenti indicazioni di peri-colo: Pericolo Rischio di esplosione! Non appoggiare utensili o simili sulla batteria, sui poli termi-nali e sui collegamenti delle celle della bat-teria. Pericolo Rischio di lesioni! Non portare mai even...
Pagina 11 - Uso
- 7 Se il livello negli elementi è troppo bas-so, aggiungere dell'acqua distillata fino alla tacca. Caricare la batteria. Avvitare i tappi degli elementi. Fig. 4 Collegare la lancia alla pistola a spruz-zo. Stringere a mano l'avvitamento della lancia. Inserire l'ugello alta pressione nel...
Pagina 12 - Pulizia
- 8 lative valvole potrebbero essere dan-neggiati dal getto ad alta pressione. Il primo segno di danneggiamento è dato dal cambiamento del colore del pneu-matico. Pneumatici e/o valvole di pneu-matici danneggiati rappresentano una fonte di pericolo. – E' vietato pulire con il getto materiale contene...
Pagina 13 - A lavoro ultimato
- 9 Sostituire l'ugello alta pressione con l'ugello vapore. Posizionare la regolazione pressione/portata della pistola a spruzzo alla por-tata minima (-). Posizionare il regolatore della tempera-tura su "100 °C" min. Pericolo Pericolo di scottature! Si consigliano le seguenti tempe...
Pagina 14 - Spegnere l’apparecchio; Cura e manutenzione; Pompa alta pressione; Ogni settimana; Motore
- 10 Dopo il funzionamento con acqua salina (acqua di mare) sciacquare l'apparecchio (pistola aperta) con acqua del rubinetto per almeno 2-3 minuti. 몇 Attenzione Non spegnere mai il motore a pieno carico con la pistola a spruzzo aperta. Posizionare l'interruttore dell'apparec-chio su „Bruciatore o...
Pagina 15 - Esecuzione; Antigelo; Guida alla risoluzione dei; accende
- 11 Pericolo Pericolo di esplosioni causate da gas in-fiammabili! E' vietato fumare durante le operazioni di decalcificazione. Provvedere ad una ventilazione adeguata. Pericolo Pericolo di corrosione da acidi. Indossare occhiali e guanti protettivi. Secondo le normative vigenti possono es-sere ...
Pagina 16 - L'apparecchio non funziona
- 12 Riempirlo. – Il contenitore antigelo è vuoto. Per ra-gioni tecniche, il contenitore ne contie-ne sempre una quantità minima. Riempirlo. – Gli elettrodi del contenitore sono spor-chi Pulire gli elettrodi. Rispettare le indicazioni contenute nelle istruzioni per l’uso della casa produttrice...
Pagina 18 - Dichiarazione CE
- 14 Con la presente si dichiara che la macchina qui di seguito indicata, in base alla sua con-cezione, al tipo di costruzione e nella ver-sione da noi introdotta sul mercato, è conforme ai requisiti fondamentali di sicu-rezza e di sanità delle direttive CE. In caso di modifiche apportate alla macch...
Pagina 19 - Dati tecnici
- 15 Dati tecnici HDS 1000 BE HDS 1000 DE Motore Modello -- Honda GX 390, 1 cilindro, 4 tempi Yanmar L 100 AE, 1 cilin-dro, 4 tempi Potenza nominale: 3600 1/min kW (PS) 9,6 (13) 7,4 (10) Consumo specifico g/kWh 313 250 Numero giri di esercizio 1/min 3200-3400 3200-3400 Serbatoio carburante l 6,5 5,5...
Pagina 20 - Controlli ricorrenti; Controllo esterno
- 16 Nota È necessario rispettare i termini di controllo previsti dalle relative disposizioni nazionali vi-genti in materia. Controlli ricorrenti Controllo eseguito da: Controllo esterno Controllo interno Controllo della re-sistenza Nome Firma della perso-na autorizzata/Data Firma della perso-na aut...