Pagina 3 - Norme di sicurezza; Simboli riportati nel manuale d'uso
                                                                            – 2  Pericolo Rischio di lesioni! Per apparecchi impiegati presso stazioni di servizio o in altre zone di pericolo, osservare le disposizioni di sicu-rezza vigenti. Î Prima di procedere alla prima messa in funzione leggere tassativamente le nor-ma di sicurezza n. 5.951-949! Î Rispettare le norme na...
                                                                     
                                                                                            
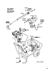
                                    Pagina 4 - Dispositivi di sicurezza; Valvola di troppopieno; Messa in funzione; Controllare il livello dell'olio della
                                                                            – 3 KÄRCHER oppure in alternativa un di-sgiuntore di rete secondo la normativa EN 12729 Tipo BA. L'acqua che scorre at-traverso un separatore di sistema non è classificata come acqua potabile. Attenzione Collegare il sezionatore del sistema sem-pre all’alimentazione idrica, mai diretta-mente all’app...
                                                                     
                                                                                            
                                    Pagina 5 - Collegamento all'acqua; Uso
                                                                            – 4 Î Stringere a mano l'avvitamento della lancia. Î Montare l’ugello sulla lancia in modo che la tacca di riferimento sia rivolta verso l’alto. Î Stringere a mano il dado di serraggio. Î Collegare il tubo flessibile alta pressio-ne all'attacco alta pressione dell'appa-recchio. 몇 Attenzione Rispetta...
                                                                     
                                                                                            
                                    Pagina 6 - Accendere l’apparecchio; Significato dei simboli; Impostare la pressione di esercizio
                                                                            – 5 getto può inoltre provocare un momen- to torcente. Per questo motivo è consi- gliabile tener saldamente in mano sia la pistola che la lancia. – Non puntare mai il getto alta pressione su persone, animali, sullo stesso appa- recchio o componenti elettriche. – Puntare il getto su pneumatici/valvol...
                                                                     
                                                                                            
                                    Pagina 7 - Metodo di pulizia consigliato; Interrompere il funzionamento; Trasporto
                                                                            – 6 – Sciogliere lo sporco:Spruzzare misuratamente il detergente e lasciarlo agire per 1 ...5 minuti. Non lasciare che il prodotto asciughi sulla superficie. – Togliere lo sporco:Sciacquare lo sporco sciolto con il getto alta pressione. Î Impostare la valvola di dosaggio deter-gente su "0". ...
                                                                     
                                                                                            
                                    Pagina 8 - Olio consigliato e quantità: vedi Dati tecnici.; Ogni giorno; Pompa alta pressione; Guida alla risoluzione dei; L'apparecchio non funziona
                                                                            – 7 Î Controllare che il tubo flessibile ad alta pressione non sia danneggiato (perico-lo di scoppio). Sostituire immediata-mente i tubi flessibili ad alta pressione danneggiati. Î Controllare il livello dell'olio. In presenza di olio lattescente (acqua nell'olio) rivolgersi immediatamente al ser-vi...
                                                                     
                                                                                            
                                    Pagina 9 - L'apparecchio non sviluppa; Garanzia
                                                                            – 8 – Il numero di giri del motore è troppo basso Î Verificate il numero di giri del motore (vedi Dati tecnici). – Impostare l'ugello su "CHEM" Î Impostare l'ugello su "alta pressione. – L’ugello è ostruito e/o eroso Î Pulire/Sostituire l'ugello. – Filtro collegamento acqua sporco Î Puli...
                                                                     
                                                                                            
                                    Pagina 10 - Dichiarazione CE; Direttive CE pertinenti
                                                                            – 9 Con la presente si dichiara che la macchina qui di seguito indicata, in base alla sua con- cezione, al tipo di costruzione e nella ver- sione da noi introdotta sul mercato, è conforme ai requisiti fondamentali di sicu- rezza e di sanità delle direttive CE. In caso di modifiche apportate alla mac...
                                                                     
                                                                                            
                                    Pagina 11 - Dati tecnici; Motore
                                                                            – 10 Dati tecnici HD 1,050 B HD 1050 DE Motore Modello -- Honda GX 390, 1 cilindro, 4 tempi Yanmar L 100 AE, 1 cilin- dro, 4 tempi Potenza nominale: 3600 1/min kW/CV 9,5/12,9 6,6/9 Numero giri di esercizio 1/min 3300±100 3300±100 Serbatoio carburante l 6,5 5,5 Carburante -- Benzina, senza piombo Die...