Pagina 2 - Uso previsto; Descrizione del prodotto
Sommario Introduzione.................................................................... 2Sicurezza........................................................................ 5Montaggio..................................................................... 12Husqvarna Connectivity Device...................
Pagina 3 - Panoramica del prodotto
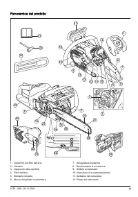
Panoramica del prodotto 17 18 26 1 4 6 7 20 30 31 32 5 2 29 3 19 5 28 27 24 25 5 15 11 8 9 10 14 23 21 22 16 13 12 34 33 1. Coperchio del filtro dell'aria2. Candela3. Cappuccio della candela4. Filtro dell'aria5. Elemento vibrante6. Blocco del grilletto acceleratore 7. Impugnatura posteriore8. Decalc...
Pagina 4 - Simboli riportati sul prodotto
13. Impugnatura della fune di avviamento14. Carter avviamento15. Serbatoio dell'olio della catena16. Marmitta e retina parascintille17. Freno della catena con protezione anticontraccolpo18. Impugnatura anteriore19. Protezione della mano destra20. Coperchio della frizione21. Tamburo della frizione22....
Pagina 5 - Emissioni Euro V; Sicurezza; Definizioni di sicurezza
Emissioni Euro V AVVERTENZA: La manomissione del motore rende nulla l'omologazione UE del prodotto. Sicurezza Definizioni di sicurezza Le avvertenze, le precauzioni e le note sono utilizzate per evidenziare le parti importanti del manuale. AVVERTENZA: Utilizzato se è presente un rischio di lesioni o...
Pagina 12 - Montaggio; Introduzione
Una catena danneggiata o mal affilata aumenta il rischio di incidenti. • Mantenere una corretta regolazione dello spessore del truciolo. Seguire le istruzioni, mantenendo la regolazione del limitatore di spessore. Una regolazione del limitatore di spessore troppo grande aumenta il rischio di contrac...
Pagina 13 - Husqvarna Connectivity Device; Connettività; Per installare il Husqvarna connectivity device
6. Allineare il foro della barra di guida con il fermo tendicatena e montare il coperchio della frizione. 7. Stringere manualmente il dado della barra.8. Serrare la catena. Fare riferimento a Come regolare la tensione della catena alla pagina 34 per istruzioni. 9. Serrare i dadi della barra. Nota: A...
Pagina 14 - Husqvarna Fleet Services; Husqvarna Connect; Primo utilizzo di Husqvarna Connect; Utilizzo
4. Collegare il connettore al Husqvarna connectivity device. 5. Rimontare il coperchio in plastica e serrare la vite. Husqvarna Fleet Services ™ Husqvarna Fleet Services ™ è una soluzione su cloud che fornisce ai responsabili della flotta commerciale una panoramica di tutti i prodotti. I Fleet Manag...
Pagina 16 - Informazioni per il contraccolpo
7. Pulire eventuale carburante fuoriuscito sul prodotto e intorno ad esso. 8. Spostare il prodotto ad almeno 3 m/10 ft dal luogo e dalla fonte di rifornimento prima di avviare il motore. Nota: Per individuare il serbatoio del carburante sul prodotto, fare riferimento a Panoramica del prodotto alla p...
Pagina 17 - Domande frequenti sul contraccolpo; Cosa fare prima di accendere il
Un piccolo raggio sulla punta della barra diminuisce la forza del contraccolpo.Utilizzare una catena con basso contraccolpo per ridurre gli effetti di contraccolpo. Non lasciare che il settore di contraccolpo tocchi un oggetto. AVVERTENZA: Nessuna catena impedisce completamente il contraccolpo. Atte...
Pagina 19 - Utilizzo della tecnica di taglio; Utilizzo del rampone
Utilizzo della tecnica di taglio AVVERTENZA: Accelerare al massimo quando si taglia e diminuire la velocità a regime minimo dopo ogni taglio. ATTENZIONE: Si possono verificare danni al motore se quest'ultimo gira al massimo troppo a lungo senza carico. 1. Posizionare il tronco su un cavalletto o sul...
Pagina 21 - Mantenere una distanza di sicurezza
b) Tagliare con catena in spinta. 3. Rimuovere i rami sul lato sinistro del tronco. a) Selezionare la tecnica di taglio da applicare alla tensione nel ramo. AVVERTENZA: Se non si è sicuri su come tagliare il ramo, rivolgersi a un operatore professionale della motosega prima di continuare. Per le ist...
Pagina 25 - Manutenzione
AVVERTENZA: Prestare la massima attenzione quando si taglia un albero in tensione. Vi è il rischio che l'albero si sposti rapidamente prima o dopo il taglio. Si possono verificare gravi lesioni se ci si trova in una posizione non corretta o nel caso in cui il taglio è stato eseguito in modo errato. ...
Pagina 30 - Messa in tensione della molla di ritorno
7. Tirare la corda di avviamento fino ad 1 cm dalla guida della molla, come mostrato in figura. Allo stesso tempo, premere verso il basso il coperchio dell'impugnatura di avviamento e rimuoverlo dall'impugnatura della fune di avviamento. 1 cm/0.5 in Nota: Se la fune di avviamento è rotta all’interno...
Pagina 31 - Informazioni sulla barra di guida e la catena
Montare il carter avviamento sul prodotto 1. Estrarre la fune di avviamento e collocare l'avviamento nella sua posizione contro il carter motore. 2. Rilasciare lentamente la fune di avviamento finché i ganci non si innestino sulla puleggia. 3. Serrare le viti che fissano il dispositivo. Pulizia del ...
Pagina 32 - Informazioni generali su come affilare le lame
• Lunghezza barra di guida, cm. Le informazioni relative alla lunghezza della barra guida di solito si trovano sul lato posteriore della barra di guida. • Numero di denti nel rocchetto puntale (T). • Passo della catena. La distanza tra le maglie di trascinamento deve essere allineata con quella dei ...
Pagina 37 - Ricerca guasti; Il motore non si avvia
cilindro (C), il canale di raffreddamento (D) e il coperchio del cilindro (E). E A D C B 1. Pulire il sistema di raffreddamento con una spazzola settimanalmente o più spesso se le condizioni lo richiedono. 2. Accertarsi che il sistema di raffreddamento non sia sporco o ostruito. ATTENZIONE: Se il si...
Pagina 38 - Il motore si avvia ma si arresta nuovamente; Trasporto e rimessaggio
Parte del prodotto da esaminare Possibile causa Azione Candela e cilindro La candela è allentata. Serrare la candela. Il motore è ingolfato a causa dei ripe- tuti avviamenti in posizione start do- po l'accensione. Controllare e pulire la candela. Posi- zionare il prodotto sul lato con il foro della ...
Pagina 39 - Dati tecnici
Dati tecnici Dati tecnici 540XP Mark III Motore Cilindrata, cm 3 39,1 Alesaggio, Ø mm 40 Lunghezza della lama, Ø mm 31,1 Regime minimo, giri/min 3000 Potenza max. motore a norma ISO 7293, kW/hp @ giri/ min. 1,9/2,6 @ 10500 Impianto di accensione 1 Candela NGK CMR7H Distanza tra gli elettrodi, mm 0,6...
Pagina 40 - Accessori; Attrezzatura di taglio consigliata
540XP Mark III Catena/barra di guida Tipo di pignone guida/numero di denti Sperone 6 da 3/8", Sperone 7 da 0,325", Cerchio 7 da 0,325" Velocità della catena al 133% del regime motore massi- mo, m/s. 26,6, 26,9 Accessori Attrezzatura di taglio consigliata La sicurezza dei modelli di motos...
Pagina 42 - Dichiarazione di conformità; Dichiarazione di conformità UE
Dichiarazione di conformità Dichiarazione di conformità UE Husqvarna AB, SE-561 82 Huskvarna, Svezia, tel.: +46-36-146500, dichiara sotto la propria esclusiva responsabilità che il prodotto indicato: Descrizione Motosega per potatura Marchio Husqvarna Tipo / Modello 540XP Mark III Identificazione Nu...