FRICO AD215E14 - Manuale d'uso
 
                
                                    Riscaldatore FRICO AD215E14 – Manuale d'uso, leggi gratuitamente online in formato PDF. Speriamo che questo ti aiuti a risolvere eventuali dubbi. Se hai ulteriori domande, contattaci tramite il modulo di contatto.
Indice:
- Pagina 12 – Istruzioni operative e di installazione; considerevolmente l'eficienza della barriera, per; Montaggio sospeso a sofitto; ”le barriere a lama
- Pagina 13 – Messa in funzione; b) Impostazione del termostato e temperatura.; Manutenzione; Togliere elettricità prima di pulire o ispezionare; Sicurezza; elettrico deve essere comunque installato un interruttore
- Pagina 14 – Dati; Tipo
- Pagina 15 – KRT2800, termostato a tubo capillare a 2-stadi; Descrizione; Accessori; CB32N, Pannello di controllo
Инструкция 
по эксплуатации 
Электрическая тепловая завеса FRICO AD215E14
Цены на товар на сайте:
http://www.vseinstrumenti.ru/klimat/teplovie_zavesi/elektricheskie/frico/ad215e14/
Отзывы и обсуждения товара на сайте:
http://www.vseinstrumenti.ru/klimat/teplovie_zavesi/elektricheskie/frico/ad215e14/#tab-Responses
"Caricamento dell'istruzione" significa che è necessario attendere finché il file non è caricato e pronto per la lettura online. Alcune istruzioni sono molto grandi e il tempo di caricamento dipende dalla velocità della tua connessione a Internet.
Sommario
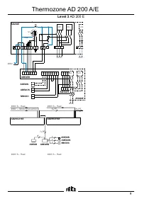
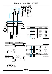
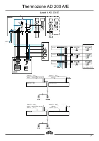
Thermozone AD 200 A/E 42 IT Istruzioni operative e di installazione Raccomandazioni generali Leggere attentamente questo manuale di istruzioni prima di installare e utilizzare l'unità AD. Conservare queste istruzioni in un luogo sicuro per un futuro utilizzo. Applicazioni Le barriere a lama d'aria T...
Thermozone AD 200 A/E 43 IT Messa in funzione Attenzione! Quando si utilizza per la prima volta o quando si riaccende dopo un lungoperiodo di inattività, una piccola quantità di fumo ed un lieve odore, possono veriicarsi temporaneamente, è del tutto normale. Problemi Se i ventilatori sono fermi, con...
Thermozone AD 200 A/E 44 Dati Tipo AD215E05 AD 215E05N* AD 215E09 AD215E09N* AD215E14 AD215E14N* Potenza [kW] 4,5 4,5 9 9 13,5 13,5 Tensione, motore/comando [V] 230V~ 230V~ 230V~ 230V~ 230V~ 230V~ Corrente, motore/comando [A] 0,6 0,6 0,6 0,6 0,6 0,6 Tensione, resistenze [V] 400V3~ 230V3~* 400V3~ 230...
 
                     
                     
                     
                     
                     
                     
                     
                     
                     
                     
                     
                     
                     
                     
                     
                     
                     
                     
                                                                         
                                                                         
                                                                         
                                                                         
                                                                         
                                                                         
                                                                         
                                                                        