Sanremo SRPCB13A716L03 - Manuale d'uso
 
                
                                    Macchina da caffè Sanremo SRPCB13A716L03 – Manuale d'uso, leggi gratuitamente online in formato PDF. Speriamo che questo ti aiuti a risolvere eventuali dubbi. Se hai ulteriori domande, contattaci tramite il modulo di contatto.
Indice:
- Pagina 3 – CUBE; Indice generale; INDICE GENERALE
- Pagina 4 – Norme e avvertenze generali; NORME E AVVERTENZE GENERALI; NORME E AVVERTENZE; AVVERTENZE GENERALI
- Pagina 5 – RIFERIMENTI NORMATIVI
- Pagina 8 – Sicurezze
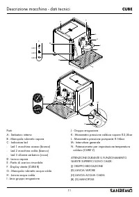
- Pagina 9 – Descrizione macchina - dati tecnici; DESCRIZIONE MACCHINA - DATI TECNICI
- Pagina 12 – Trasporto, disimballo e componenti; TRASPORTO, DISIMBALLO E COMPONENTI
- Pagina 13 – Installazione
- Pagina 16 – Messa in funzione
- Pagina 18 – Uso della macchina; USO DELLA MACCHINA
- Pagina 23 – Malfunzionamento: cause e soluzioni
- Pagina 25 – Messa fuori servizio, verifiche e controlli; MESSA FUORI SERVIZIO, VERIFICHE E
- Pagina 26 – Pulizia; PULIZIA
- Pagina 28 – Assistenza e smaltimento; ASSISTENZA E SMALTIMENTO
CUBE V
CUBE R
Libretto Istruzioni
Italiano
(Istruzioni originali)
Instruction Booklet
English
(Original instructions)
Livret d'instructions
Français
(Instructions originales)
Gebrauchsanleitung
Deutsch
(Originalanleitung)
Manual de instrucciones
Español
(Instrucciones originales)
"Caricamento dell'istruzione" significa che è necessario attendere finché il file non è caricato e pronto per la lettura online. Alcune istruzioni sono molto grandi e il tempo di caricamento dipende dalla velocità della tua connessione a Internet.
Sommario
CUBE Indice generale 3 INDICE GENERALE 1 NORME E AVVERTENZE GENERALI ......................................... 4 2 SICUREZZE ........................................................................... 8 3 DESCRIZIONE MACCHINA .................................................... 9 4 DISIMBALLO E POSI...
CUBE Norme e avvertenze generali 4 NORME E AVVERTENZE GENERALI 1 NORME E AVVERTENZE GENERALI 1.1 AVVERTENZE GENERALI - IL PRESENTE MANUALE È PARTE INTEGRANTE DELLA MACCHINA E DEVE ESSERE CONSERVATO CON CURA PER OGNI ULTERIORE CONSULTAZIONE E SCARICABILE DAL SITO “HTTPS://WWW. SANREMOMACHINES.COM/”. ...
CUBE Norme e avvertenze generali 5 - NEL CASO SI DEBBA INTERVENIRE SULL’INTERRUTTORE GENERALE O NELLE SUE VICINANZE, TOGLIERE TENSIONE ALLA LINEA A CUI È ALLACCIATO L’INTERRUTTORE GENERALE. - PRIMA DI PROCEDERE ALLA PULIZIA E/O ALLA MANUTENZIONE DELLA MACCHINA, E PRIMA DI RIMUOVERE QUALSIASI PROTEZI...
 
                     
                     
                     
                     
                     
                     
                     
                     
                     
                     
                     
                     
                     
                     
                     
                     
                     
                     
                     
                     
                     
                     
                     
                     
                     
                     
                     
                     
                     
                     
                     
                                                                         
                                                                         
                                                                         
                                                                         
                                                                         
                                                                        