Pagina 7 - De Dietrich; Avvertenze generali
                                                                                                                        35 71.03982.03 - IT ISTRUZIONI DESTINATE ALL’UTENTE Gentile Cliente,la nostra Azienda ritiene che la Sua nuova caldaia soddisferà tutte le Sue esigenze.L’acquisto di un prodotto De Dietrich garantisce quanto Lei si aspetta: un buon funzionamento ed un uso semplice e razionale.Quello che Le chiediamo...
                                                                                                             
                                                                                            
                                    Pagina 8 - AVVERTENZE PRIMA DELL’INSTALLAZIONE
                                                                                                                        36 71.03982.03 - IT ISTRUZIONI DESTINATE ALL’UTENTE Questa caldaia serve a riscaldare l’acqua ad una temperatura inferiore a quella di ebollizione a pressione atmosferica. Essa deve essere allacciata ad un impianto di riscaldamento e ad una rete di distribuzione di acqua calda sanitaria, com-patibil...
                                                                                                             
                                                                                            
                                    Pagina 10 - REGOLAZIONE DELLA TEMPERATURA AMBIENTE E DELL’ACQUA SANITARIA
                                                                                                                        38 71.03982.03 - IT ISTRUZIONI DESTINATE ALL’UTENTE 4. REGOLAZIONE DELLA TEMPERATURA AMBIENTE E DELL’ACQUA SANITARIA L’impianto deve essere dotato di termostato ambiente (DPR 26 Agosto 1993 n° 412 articolo 7 comma 6) per il controllo della temperatura nei locali. La regolazione della temperatura amb...
                                                                                                             
                                                                                            
                                    Pagina 11 - SPEGNIMENTO DELLA CALDAIA; AVVERTENZA; RIEMPIMENTO IMPIANTO
                                                                                                                        39 71.03982.03 - IT ISTRUZIONI DESTINATE ALL’UTENTE Per lo spegnimento della caldaia occorre togliere l’alimentazione elettrica dell’apparecchio. Nel modo di funzionamento “SPENTO” (paragrafo 5) la caldaia rimane spenta (il display visualizza la scritta OFF) ma i circuiti elettrici restano in tensio...
                                                                                                             
                                                                                            
                                    Pagina 12 - SEGNALAZIONI-INTERVENTO DISPOSITIVI DI SICUREZZA; ARRESTO PROLUNGATO DELL’IMPIANTO. PROTEZIONE AL GELO; Anomalie
                                                                                                                        40 71.03982.03 - IT ISTRUZIONI DESTINATE ALL’UTENTE 10. SEGNALAZIONI-INTERVENTO DISPOSITIVI DI SICUREZZA E’ buona norma evitare lo svuotamento dell’intero impianto di riscaldamento poiché ricambi d’acqua portano anche ad inutili e dannosi depositi di calcare all’interno della caldaia e dei corpi sca...
                                                                                                             
                                                                                            
                                    Pagina 13 - AVVERTENZA POMPA SUPPLEMENTARE; AVVERTENZE GENERALI
                                                                                                                        41 71.03982.03 - IT ISTRUZIONI DESTINATE ALL’INSTALLATORE Questa caldaia serve a riscaldare l’acqua ad una temperatura inferiore a quella di ebollizione a pressione atmosferica. Essa deve essere allacciata ad un impianto di riscaldamento e ad una rete di distribuzione di acqua calda sanitaria, com- ...
                                                                                                             
                                                                                            
                                    Pagina 14 - INSTALLAZIONE DELLA CALDAIA; IMPORTANTE
                                                                                                                        42 71.03982.03 - IT ISTRUZIONI DESTINATE ALL’INSTALLATORE 13. INSTALLAZIONE DELLA CALDAIA 14. INSTALLAZIONE DELLA CALDAIA Determinata l’esatta ubicazione della caldaia veriicare che il luogo di installazione permetta un’agevole manutenzione (è necessario uno spazio minimo di 450mm sulla parte superi...
                                                                                                             
                                                                                            
                                    Pagina 15 - DIMENSIONI CALDAIA
                                                                                                                        43 71.03982.03 - IT ISTRUZIONI DESTINATE ALL’INSTALLATORE 14. DIMENSIONI CALDAIA 15. DIMENSIONI CALDAIA Figura 5 24 FF - 24 MI FF 24 - 24 MI CG_2009 / 1006_1802 CG_2009 / 1006_1803
                                                                                                             
                                                                                            
                                    Pagina 16 - INSTALLAZIONE DEI CONDOTTI DI SCARICO - ASPIRAZIONE
                                                                                                                        44 71.03982.03 - IT ISTRUZIONI DESTINATE ALL’INSTALLATORE 16. INSTALLAZIONE DEI CONDOTTI DI SCARICO - ASPIRAZIONE Modello 24 MI FF - 24 FF L’installazione della caldaia può essere effettuata con facilità e lessibilità grazie agli accessori forniti e dei quali successivamente è riportata una descrizi...
                                                                                                             
                                                                                            
                                    Pagina 17 - ESEMPI D’INSTALLAZIONE CON CONDOTTI ORIZZONTALI
                                                                                                                        45 71.03982.03 - IT ISTRUZIONI DESTINATE ALL’INSTALLATORE 16.1 ESEMPI D’INSTALLAZIONE CON CONDOTTI ORIZZONTALI 16.2 ESEMPI D’INSTALLAZIONE CON CANNE FUMARIE DI TIPO C42 16.3 ESEMPI D’INSTALLAZIONE CON CONDOTTI VERTICALI L’installazione può essere eseguita sia con tetto inclinato che con tetto piano ...
                                                                                                             
                                                                                            
                                    Pagina 18 - Modello
                                                                                                                        46 71.03982.03 - IT ISTRUZIONI DESTINATE ALL’INSTALLATORE … CONDOTTI DI SCARICO-ASPIRAZIONE SEPARATI Questo tipo di condotto permette lo scarico dei combusti sia all’esterno dell’ediicio, sia in canne fumarie singole.L’aspirazione dell’aria comburente può essere effettuata in zone diverse rispetto a...
                                                                                                             
                                                                                            
                                    Pagina 19 - INGOMBRO SCARICHI SEPARATI
                                                                                                                        47 71.03982.03 - IT ISTRUZIONI DESTINATE ALL’INSTALLATORE 16.5 ESEMPI D’INSTALLAZIONE CON CONDOTTI SEPARATI ORIZZONTALI - C82 IMPORTANTE - La pendenza minima, verso l’esterno, del condotto di scarico deve essere di 1 cm per metro di lunghezza. In caso d’installazione del kit raccogli condensa la pen...
                                                                                                             
                                                                                            
                                    Pagina 20 - ALLACCIAMENTO ELETTRICO
                                                                                                                        48 71.03982.03 - IT ISTRUZIONI DESTINATE ALL’INSTALLATORE 17. ALLACCIAMENTO ELETTRICO 18. COLLEGAMENTO DEL TERMOSTATO AMBIENTE (Vedere DPR 26 Agosto 1993 n° 412) • accedere alla morsettiera di alimentazione (igura 9) come descritto al capitolo precedente;• togliere il ponticello presente sui morsett...
                                                                                                             
                                                                                            
                                    Pagina 21 - MODALITÀ DI CAMBIO GAS; valvola gas
                                                                                                                        49 71.03982.03 - IT ISTRUZIONI DESTINATE ALL’INSTALLATORE 19. MODALITÀ DI CAMBIO GAS La caldaia può essere trasformata per l’uso a gas metano ( G. 20 ) o a gas liquido ( G. 31 ) a cura del Servizio di Assistenza Tecnica autorizzato. Le operazioni da eseguire in sequenza sono le seguenti: A) sostituz...
                                                                                                             
                                                                                            
                                    Pagina 22 - FUNZIONE DI TARATURA DELLA VALVOLA GAS; Nota
                                                                                                                        50 71.03982.03 - IT ISTRUZIONI DESTINATE ALL’INSTALLATORE 19.1 FUNZIONE DI TARATURA DELLA VALVOLA GAS Nota La funzione si disattiva automaticamente dopo un tempo di 15 minuti al termine del quale la scheda elettronica ritorna allo stato di funzionamento precedente all’attivazione della funzione stes...
                                                                                                             
                                                                                            
                                    Pagina 24 - IMPOSTAZIONE PARAMETRI
                                                                                                                        52 71.03982.03 - IT ISTRUZIONI DESTINATE ALL’INSTALLATORE Descrizione parametri Impostazioni di fabbrica 24 MI FF 24 FF 24 MI 24 F01 Tipo di caldaia 10 = camera stagna - 20 = camera aperta 10 10 20 20 F02 Tipo di gas utilizzato 00 = METANO 01 = GPL 02 = METANO (CON DIAFRAMMA GAS) 02 F03 Sistema idra...
                                                                                                             
                                                                                            
                                    Pagina 26 - VERIFICA DEI PARAMETRI DI COMBUSTIONE
                                                                                                                        54 71.03982.03 - IT ISTRUZIONI DESTINATE ALL’INSTALLATORE Per la misura in opera del rendimento di combustione e dell’igienicità dei prodotti di combustione, come disposto dal DPR 26 Agosto 1993 n° 412, la caldaia è dotata di due prese destinate a tale uso speciico.Una presa è collegata al circuito ...
                                                                                                             
                                                                                            
                                    Pagina 27 - COLLEGAMENTO DELLA SONDA ESTERNA; COLLEGAMENTO DI UN’UNITÀ BOLLITORE ESTERNA
                                                                                                                        55 71.03982.03 - IT ISTRUZIONI DESTINATE ALL’INSTALLATORE 26. COLLEGAMENTO DELLA SONDA ESTERNA Sul cablaggio di cavi che escono dal cruscotto, ci sono due cavetti di colore ROSSO dotati di copri-faston di testa.Collegare la sonda esterna ai capi di questi due cavetti.Con sonda esterna collegata è po...
                                                                                                             
                                                                                            
                                    Pagina 28 - AVVERTENZE; MANUTENZIONE ANNUALE
                                                                                                                        56 71.03982.03 - IT ISTRUZIONI DESTINATE ALL’INSTALLATORE Allo scopo di assicurare un’eficienza ottimale della caldaia è necessario effettuare annualmente i seguenti controlli: • veriica dell’aspetto e della tenuta delle guarnizioni del circuito gas e del circuito di combustione; • veriica dello sta...
                                                                                                             
                                                                                            
                                    Pagina 29 - PULIZIA DEI FILTRI; PULIZIA DAL CALCARE DEL CIRCUITO SANITARIO
                                                                                                                        57 71.03982.03 - IT ISTRUZIONI DESTINATE ALL’INSTALLATORE I iltri dell’acqua sanitaria e del circuito di riscaldamento sono alloggiati all’interno di apposite cartucce estraibili. La cartuccia del circuito di riscaldamento è posizionata sul ritorno del riscaldamento (igura 16F), la cartuccia del cir...
                                                                                                             
                                                                                            
                                    Pagina 30 - SMONTAGGIO DELLO SCAMBIATORE ACQUA-ACQUA
                                                                                                                        58 71.03982.03 - IT ISTRUZIONI DESTINATE ALL’INSTALLATORE Lo scambiatore acqua-acqua, del tipo a piastre in acciaio inox, può essere smon tato con l’utilizzo di una chiave esagonale procedendo come di seguito descritto: • svuotare l’impianto, se possibile limitatamente alla caldaia, mediante l’appos...
                                                                                                             
                                                                                            
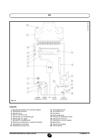
                                    Pagina 31 - SCHEMA FUNZIONALE CIRCUITI
                                                                                                                        59 71.03982.03 - IT ISTRUZIONI DESTINATE ALL’INSTALLATORE 33. SCHEMA FUNZIONALE CIRCUITI 24 MI FF Legenda: 1 Pompa con separatore d’aria 2 Valvola di non ritorno 3 Valvola tre vie 4 Motore valvola tre vie 5 Manometro 6 Filtro circuito riscaldamento estraibile 7 Disconnettore 8 Rubinetto caricamento ...
                                                                                                             
                                                                                            
                                    Pagina 35 - SCHEMA COLLEGAMENTO CONNETTORI; Colore cavetti
                                                                                                                        63 71.03982.03 - IT ISTRUZIONI DESTINATE ALL’INSTALLATORE 34. SCHEMA COLLEGAMENTO CONNETTORI 24 MI FF CG_2075 / 1001_1806 Colore cavetti C = Celeste M = Marrone N = Nero R = Rosso G/V = Giallo/Verde B = Bianco V = Verde
                                                                                                             
                                                                                            
                                    Pagina 39 - CARATTERISTICHE TECNICHE
                                                                                                                        67 71.03982.03 - IT ISTRUZIONI DESTINATE ALL’INSTALLATORE 35. CARATTERISTICHE TECNICHE Modello MS 24 MI FF 24 FF 24 MI 24 Categoria II 2H3P II 2H3P II 2H3P II 2H3P Portata termica nominale kW 25,8 25,8 26,3 26,3 Portata termica ridotta kW 10,6 10,6 10,6 10,6 Potenza termica nominale kW 24 24 24 24 k...