De Dietrich DHG556XP1 - Manuale d'uso
 
                
                                    Cappa da cucina De Dietrich DHG556XP1 – Manuale d'uso, leggi gratuitamente online in formato PDF. Speriamo che questo ti aiuti a risolvere eventuali dubbi. Se hai ulteriori domande, contattaci tramite il modulo di contatto.
Indice:
- Pagina 2 – ITALIANO
- Pagina 3 – DESCRIZIONE DELL’APPARECCHIO; Filtrante; INSTALLAZIONE; filtri antigrasso
- Pagina 4 – piú liscio possibile.; SMONTAGGIO DELL’APPARECCHIO; Durante le operazioni seguenti sostenere sempre l’apparecchio.
- Pagina 5 – FUNZIONAMENTO DELL’APPARECCHIO; la funzione timer pigiare ancora con un solo colpo.; IL FILTRO AL CARBONE.; massima per piani di cottura ad Induzione.
- Pagina 7 – MANUTENZIONE; Rimontare i filtri antigrasso.; ATTENZIONE: non toccare la lampadina a mani nude.
Guide d’utilisation
Instructions for installation and use
Montage- und gebrauchsanweisung
Istruzioni per l'installazione e l’uso
Instrucciones para instalación y uso
Instruções de instalação y utilização
Aanwijzing voor gebruik en installatie
DHG556XP - DHG576XP
DHG577XP - DHG589XP
DHG560XP - DHG570XP
"Caricamento dell'istruzione" significa che è necessario attendere finché il file non è caricato e pronto per la lettura online. Alcune istruzioni sono molto grandi e il tempo di caricamento dipende dalla velocità della tua connessione a Internet.
Sommario
21 IMPORTANTE; PRIMA DI QUALSIASI OPERAZIONE DI INSTALLAZIONE E USO, PRENDERE NOTADELLE ISTRUZIONI SEGUENTI: La distanza minima tra la superficie di supporto delle pentole sul piano di cottura e la parte inferiore della cappa deve essere 65cm. Se le istruzioni per l’installazione del piano di cottur...
22 DESCRIZIONE DELL’APPARECCHIO Le descrizioni e caratteristiche figuranti in questo documento sono date a titolo d’informazione e non come obbligo. In effetti, certi della qualità dei nostri prodotti, ci riserviamo il diritto di effettuare, senza preavviso, qualsiasi modifica o miglioramento. Secon...
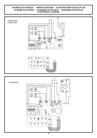
23 A C B INSTALLAZIONE IN VERSIONE ASPIRANTE E VERSIONE CON MOTORE ESTERNO Predisporre l’alimentazione elettrica e predisporre il foro evacuazione aria (Fig. 2). Inserire l’apparecchio nell’apertura praticata (Fig. 5). Avvitare le 2 viti che si trovano all’interno dell’apparecchio (Fig. 7) fino a fa...
 
                     
                     
                     
                     
                     
                     
                     
                     
                     
                     
                                                                         
                                                                         
                                                                         
                                                                         
                                                                         
                                                                         
                                                                         
                                                                         
                                                                        