Mongoose AMG-850C - Manuale d'uso
 
                
                                    Allarme auto Mongoose AMG-850C – Manuale d'uso, leggi gratuitamente online in formato PDF. Speriamo che questo ti aiuti a risolvere eventuali dubbi. Se hai ulteriori domande, contattaci tramite il modulo di contatto.
Indice:
- Pagina 6 – Italiano; Introduzione; Il kit AMG 850С comprende:
- Pagina 7 – Portachiavi del comando remoto; Tabella dei comandi; Tasto 1; premere il tasto ad impulso; Informazioni utili; PIN
- Pagina 8 – Disattivazione dell’allarme in emergenza; Indicazioni dei LED; REGOLE DELL’UTILIZZO; Gestione dei modi principali di protezione; Attivazione dell’antifurto; Protezione
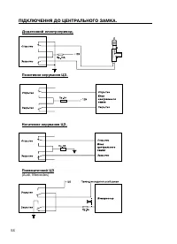
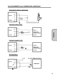
- Pagina 10 – Utilizzo delle funzioni supplementari di protezione; La chiusura delle; Disattivazione «a due passi»; La funzione puo’ essere disattivata via; Gestione remota della serratura centrale
- Pagina 11 – Funzioni diagnostiche; Notifica di errore; aperti, Lei sentira 3 segnali acustici e luminosi invece di uno.; Memoria di allarmi; Quantita’ dei lampeggi nella serie; Considerazione del ritardo delle luci nel salotto; Il modo viene attivato via programmazione.
- Pagina 12 – Programmazione dei portachiavi; Programmazione delle funzioni
- Pagina 13 – Eliminazione guasti; Guasto
- Pagina 14 – Dotazione; PULSANTE DI DISINSERIMENTO DI EMERGENZA.
850
SERIES
"Caricamento dell'istruzione" significa che è necessario attendere finché il file non è caricato e pronto per la lettura online. Alcune istruzioni sono molto grandi e il tempo di caricamento dipende dalla velocità della tua connessione a Internet.
Sommario
17 Italiano MONGOOSE AMG 850C Introduzione L’antifurto AMG 850С e’ progettato per proteggere gli sportelli dell’automobile, la capotta e il bagagliaio, lo spazio dentro il salotto e attorno la Vs vettura. Per evitare l’accesso non sanzionato nel sistema e’ prevista la protezione del codice dei coman...
18 Portachiavi del comando remoto E’ una microtrasmettente alimentata da una batteria 12 V (tipo 23A), che Le servira’ circa 1 anno. La batteria va cambiata, quando si nota la diminuzione seria della distanzad’azione. Sul portachiavi si trovano tre tasti di comando e un LED di indicazione.Premendo u...
19 Italiano Il PIN si compone di 2 cifre e puo’ essere tra 11 e 99. Alla fabbrica viene installato il PIN «11», pero’ Le consigliamo di inserire un altro numero del PIN (veda il capitolo«Programmazione»). Cosi’ Lei potra’ proteggere il Suo sistema contro un eventualeaccesso degli estranei. Per intro...
 
                     
                     
                     
                     
                     
                     
                     
                     
                     
                     
                     
                     
                     
                     
                     
                     
                     
                     
                     
                     
                    