Miele PWM 907 [EL DP] - Manuale di installazione

Miele PWM 907 [EL DP]

Miele PWM 907 [EL DP] – Manuale di installazione, leggi gratuitamente online in formato PDF. Speriamo che questo ti aiuti a risolvere eventuali dubbi. Se hai ulteriori domande, contattaci tramite il modulo di contatto.

1 Pagina 1
2 Pagina 2
3 Pagina 3
4 Pagina 4
5 Pagina 5
6 Pagina 6
7 Pagina 7
8 Pagina 8
9 Pagina 9
10 Pagina 10
11 Pagina 11
12 Pagina 12
13 Pagina 13
Pagina: / 13

Indice:

  • Pagina 3 – M i s u r e a p p a r e c c h i o
  • Pagina 4 – I n s t a l l a z i o n e
  • Pagina 5 – C o l o n n a b u c a to
  • Pagina 6 – P o s i z i o n a m e n to
  • Pagina 8 – D a t i t e c n i c i
  • Pagina 12 – I n d i c a z i o n i d i i n s t a l l a z i o n e e p r o g e t t a z i o n e
Caricamento dell'istruzione

S c h e m a d i i n s t a l l a z i o n e

Lavatrice

P W M 9 0 7 D V / D P






Leggere

assolutamente

le istruzioni d'uso e di installazione prima

di procedere al posizionamento, all'installazione e alla messa in servizio.
In questo modo si evitano danni a se stessi e alle apparecchiature.

i t - I T

11 276 620/05

"Caricamento dell'istruzione" significa che è necessario attendere finché il file non è caricato e pronto per la lettura online. Alcune istruzioni sono molto grandi e il tempo di caricamento dipende dalla velocità della tua connessione a Internet.

Altre istruzioni per Miele PWM 907 [EL DP]

Sommario

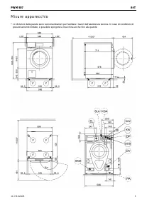
Pagina 3 - M i s u r e a p p a r e c c h i o

PWM 907 it-IT 11 276 620/05 3 M i s u r e a p p a r e c c h i o * Le distanze dalla parete sono raccomandazioni per facilitare i lavori dell’assistenza tecnica. In caso di condizioni di posizionamento limitate, è possibile spingere la macchina anche fino alla parete.

Pagina 4 - I n s t a l l a z i o n e

PWM 907 it-IT 4 11 276 620/05 I n s t a l l a z i o n e * Le distanze dalla parete sono raccomandazioni per facilitare i lavori dell’assistenza tecnica. In caso di condizioni di posizionamento limitate, è possibile spingere la macchina anche fino alla parete.

Pagina 5 - C o l o n n a b u c a to

PWM 907 it-IT 11 276 620/05 5 C o l o n n a b u c a to * Le distanze dalla parete sono raccomandazioni per facilitare i lavori dell’assistenza tecnica. In caso di condizioni di posizionamento limitate, è possibile spingere la macchina anche fino alla parete.

Altri modelli di Miele