Miele APDR 002 - Manuale d'uso

Miele APDR 002 – Manuale d'uso, leggi gratuitamente online in formato PDF. Speriamo che questo ti aiuti a risolvere eventuali dubbi. Se hai ulteriori domande, contattaci tramite il modulo di contatto.
Indice:
- Pagina 86 – italiano
- Pagina 88 – Indicazioni per la sicurezza e avvertenze; Uso corretto
- Pagina 90 – Prima di fissare il box XCI
- Pagina 92 – Programmazione; Allacciamento elettrico; Dati tecnici
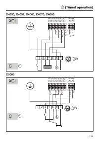
- Pagina 93 – Sensore di rilevamento del vuoto; Installare la gettoniera; Gettoniera a tempo
- Pagina 94 – Tabella capacità di corrente
de
Gebrauchs- und Montageanweisung XCI-Box
cs
Návod k obsluze a montáži pro XCI-Box
da
Brugs- og monteringsanvisning XCI-Box
en
Operating and installation instructions for XCI-Box
es
Instrucciones de manejo y montaje de la XCI-Box
fi
Käyttö- ja asennusohje XCI-Box
fr
Mode d'emploi et instructions de montage XCI-Box
hr
Upute za uporabu i ugradnju za XCI-Box
hu
Használati és szerelési útmutató – XCI-Box
it
Istruzioni d'uso e di montaggio XCI-Box
nl
Gebruiks- en montagehandleiding XCI-Box
no
Bruks- og monteringsanvisning XCI-Box
pl
Instrukcja użytkowania i montażu XCI-Box
pt
Instruções de utilização e montagem de XCI-Box
sv
Bruks- och monteringsanvisning XCI-Box
tr
Kullanım Kılavuzu ve Montaj Talimatı XCI-Box
M.-Nr. 10 651 581
"Caricamento dell'istruzione" significa che è necessario attendere finché il file non è caricato e pronto per la lettura online. Alcune istruzioni sono molto grandi e il tempo di caricamento dipende dalla velocità della tua connessione a Internet.
Altre istruzioni per Miele APDR 002
Sommario
it - Indice 86 italiano ................................................................................................................ 87 Il Vostro contributo alla tutela dell'ambiente ...................................................... 87Indicazioni per la sicurezza e avvertenze .................
it - italiano 88 Indicazioni per la sicurezza e avvertenze Questo box XCI è conforme alle vigenti norme di sicurezza. Un usoimproprio può comunque causare danni a persone e/o cose. Leggere dapprima le istruzioni d'uso e di montaggio per il box XCI.Contengono istruzioni importanti per la sicurezza, l...
it - italiano 90 Funzionamento Mediante il box XCI è possibile allaccia-re alla macchina Miele Professional glihardware esterni di Miele e di altri forni-tori. Hardware esterni sono p.es. getto-niere, sistemi di dosaggio, impianti dispegnimento carico di punta, sensori dipressione, sportellini ester...