STOMER SCD-750 98298093 - Istruzioni
 
                                Driver a impatto STOMER SCD-750 98298093 - Manuale d'uso in formato PDF online
Istruzioni:
Manuale d'uso STOMER SCD-750 98298093
Sommario
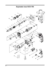
19 IT CARATTERISTICHE TECNICHE 1 ELEMENTI DELL’UTENSILE 2 Componenti illustrati La numerazione dei componenti illustrati si riferisce all’illustrazione dell’elettroutensile che si trova sulla pa-gina con la rappresentazione gra fi ca. 1 Bit cacciavite* 2 Boccola di battuta3 Boccola di regolazione pe...
20 IT e) Evitare una posizione anomala del corpo. Avere cu-ra di mettersi in posizione sicura e di mantenere l’equi-librio in ogni situazione. In questo modo è possibile controllare meglio l’elettroutensile in caso di situazioni inaspettate.f) Indossare vestiti adeguati. Non indossare vestiti lar-gh...
21 IT MANUTENZIONE ED ASSISTENZA Manutenzione e pulizia ● Prima di qualunque intervento sull’elettroutensile estrarre la spina di rete dalla presa. ● Per poter garantire buone e sicure operazioni di lavoro, tenere sempre puliti l’elettroutensile e le pre-se di ventilazione. ● La macchina non ha biso...
 
                             
                             
                             
                             
                             
                             
                             
                             
                             
                             
                             
                             
                             
                             
                             
                            