Miele PDR 922 [G] - Istruzioni
Miele PDR 922 [G] - Manuale d'uso, Manuale, Manuale di installazione, Guida rapida in formato PDF online
Istruzioni:
Manuale d'uso Miele PDR 922 [G]
Manuale Miele PDR 922 [G]
Sommario
Indice 3 Il Vostro contributo alla tutela dell'ambiente ................................................................ 6 Istruzioni per la sicurezza e avvertenze ....................................................................... 7 Uso corretto ....................................................
Indice 4 Pulizia e manutenzione ................................................................................................... 26 Pulire il filtro impurità ......................................................................................................... 26Pulire cestello e parti esterne...
Indice 5 Selezione programmi......................................................................................................... 40 Comandi ........................................................................................................................ 40Pacchetti di programmi ............
Il Vostro contributo alla tutela dell'ambiente 6 Smaltimento dell'imballaggio L'imballaggio impedisce che l'essiccatoio subisca dei danni durante iltrasporto. I materiali utilizzati per l'imballaggio sono riciclabili, per cuiselezionati secondo criteri di rispetto dell'ambiente e di facilità dismalt...
Istruzioni per la sicurezza e avvertenze 7 Leggere assolutamente le presenti istruzioni d'uso. L'essiccatoio è conforme alle vigenti norme di sicurezza. Un uso improprio può comun-que causare danni a persone e/o cose. Prima di mettere in funzione l'apparecchio leggere attentamente queste istruzion...
Istruzioni per la sicurezza e avvertenze 8 Sorvegliare i bambini che si trovano nelle immediate vicinanze dell'essiccatoio. Non per- mettere loro di giocarci. Questo essiccatoio può funzionare anche in ambienti pubblici. Altri impieghi diversi da quelli precedentemente indicati non rispettano ...
Istruzioni per la sicurezza e avvertenze 9 Sicurezza tecnica Prima di installare l'essiccatoio, controllare che non vi siano danni visibili. Non installare né mettere in funzione l'essiccatoio se presenta dei danni. Per motivi di sicurezza non si possono utilizzare prolunghe (pericolo di incendi...
Istruzioni per la sicurezza e avvertenze 10 Sussiste pericolo di soffocamento o intossicazione a causa della riaspirazione dei gas di scarico se lo scalda-acqua istantaneo a gas, il riscaldamento a gas dell'ambiente, stufe acarboni con allacciamento al camino ecc. sono installati nello stesso ambi...
Istruzioni per la sicurezza e avvertenze 11 Rimuovere tutti gli oggetti contenuti nelle tasche, ad es. accendini, fiammiferi. Il programma è terminato con l'inizio della fase di raffreddamento. Alla fase di riscalda- mento segue in molti programmi la fase di raffreddamento in modo che i capi/gli...
Come si usa l'essiccatoio 12 Pannello comandi a Tasto sensore Per scegliere la lingua del gestoreAl termine del programma la lingua passa in automatico a quella impostata al livello ge-store. b Tasto sensore Consente di ritornare al livello precedente nel menù. c Display touch d Tasto sensore ...
Come si usa l'essiccatoio 13 Tasti sensore e display touch con tasti sensore I tasti sensore , e Start/Stop nonché i tasti sensore a display reagiscono al contat- to. A ogni contatto è associato un segnale acustico. Il volume dell'acustica tasti può esse-re modificato o spento (v. cap. "Live...
Come si usa l'essiccatoio 14 Per scorrere il menù, appoggiare il dito sul display touch e muoverlo verso destra o versosinistra. La barra di scorrimento arancione nell'area inferiore del display indica che seguono altrepossibilità di selezione. Per selezionare il programma di asciugatura desider...
Come si usa l'essiccatoio 15 Premere brevemente le cifre fra i due trattini. Compare un tastierino. 12:00 3 4 2 1 5 6 7 8 0 9 Orologio OK Per immettere un valore numerico, toccare le cifre sul lato destro e confermare infine conOK. Menù a tendina Nel menù a tendina è possibile visualizzare d...
Prima messa in servizio 16 Danni a persone e cose a causa di un posizionamento non corretto. Il posizionamento non corretto dell'essiccatoio può causare danni a persone o cose.Prima della messa in servizio posizionare l'essiccatoio correttamente.Allacciarlo a regola d'arte.Attenersi al capitolo ...
Prima messa in servizio 17 Più scuro Più chiaro Luminosità display OK Toccare la barra a segmenti sul livello di luminosità desiderato. Il livello di luminosità desiderato è rappresentato dalla lunghezza della barra a segmenti. Confermare con il tasto sensore OK. Il display passa all'impostazion...
Prima messa in servizio 18 Selezionare pacchetti programmi Si possono selezionare diversi programmi dai pacchetti disponibili. I programmi già attivisono di colore arancione. 11:02 Cotone Cotone PRO Etichetta energetica Cot.resistente colorato Lava/indossa Standard Pacchetti programmi Lana Delicati...
Prima messa in servizio 19 11:02 Programmi Lana Igienizza, tem- po aria calda Cesto- Delicato Delicati Progr. tempo aria fredda Progr. tempo aria calda Toccare il programma Programma a tempo aria fredda . 0:10 11:02 0:10 8,0 Elenco Peso kg h Durata Temp.asciug. No riscaldam. Progr.a tempo ar...
Asciugare 20 1. Rispettare la giusta cura della biancheria Lavaggio Lavare accuratamente i capi particolarmente sporchi. Utilizzare una quantità sufficiente didetersivo e selezionare una temperatura elevata. In caso di dubbi, lavarli più volte. Lavare accuratamente e separatamente i capi nuovi e col...
Asciugare 21 2. Caricare l'essiccatoio Introdurre la biancheria nell'essiccatoio I capi si possono danneggiare.Prima di introdurre la biancheria leggere il capitolo “1. Rispettare la giusta cura dellabiancheria". Aprire lo sportello. Introdurre la biancheria nell'essiccatoio. Pericolo di dan...
Asciugare 22 11:02 Programmi Preferiti Gestore Guida Toccare il tasto sensore Programmi . 11:02 Cot.resistente colorato Programmi Cotone PRO Lava/indossa Delicati Cotone Lana Scorrere verso sinistra con il dito finché compare il programma desiderato. Toccare il tasto sensore del...
Asciugare 23 Attivare le opzioni Si possono completare i programmi di asciugatura con differenti opzioni. Alcune opzionisono selezionabili solo con determinati programmi. 11:02 0:57 8,0 Temp.asciug. °C Opzioni Peso Pronto asciut. Livello asciugat. Cot.resistente colorato 66 No selezionata kg E...
Asciugare 24 Visualizzare i parametri attuali del programma Nel corso del programma, tramite il menù a tendina è possibile visualizzare i parametri delprogramma di asciugatura (p.es. livello di asciugatura, capacità di carico, opzioni selezio-nate, temperatura di asciugatura). 11:02 Durata res. h ...
Asciugare 25 Se è stata selezionata l'opzione Fase antipiega *, il cesto continua a ruotare a intervalli al termine del programma. In questo modo le pieghe sono ridotte al minimo se la bianche-ria non viene prelevata subito. * La fase antipiega è disattivata di serie e può essere attivata al livel...
Pulizia e manutenzione 26 Pulire il filtro impurità Pericolo di incendio a causa del funzionamento dell'essiccatoio senza filtro impurità. I circuiti dell'aria, il riscaldamento e il condotto di sfiato possono ostruirsi e incendiarsinel corso del funzionamento dell'essiccatoio senza filtro impurit...
Pulizia e manutenzione 27 Pulire cestello e parti esterne dell'involucro Pericolo di morte a causa di scossa elettrica. Un essiccatoio non separato completamente dall'alimentazione di tensione non può es-sere pulito o manutenzionato.Spegnere l'essiccatoio tramite l'interruttore principale predispo...
Assistenza tecnica 28 Contatti in caso di guasto In caso di guasti che non si è in grado di risolvere da soli, contattare il negozio specializza-to Miele o il servizio di assistenza tecnica Miele. Il numero di telefono dell'assistenza tecnica Miele si trova in fondo alle presenti istruzioni. Indicar...
Installazione *INSTALLATION* 29 Requisiti per l'installazione L'essiccatoio può essere installato e messo in servizio per la prima volta solo dall'assi-stenza tecnica Miele autorizzata o da personale qualificato. Installare la macchina secondo le norme vigenti. Utilizzare l'essiccatoio solo in a...
Installazione *INSTALLATION* 31 Stringere i dadi dei piedini con una chiave sulla lamiera di base dopo averli regolati. Fissaggio Per una maggiore sicurezza di posizionamento fissare l'essiccatoio con le griffe d'anco-raggio in dotazione tramite i piedini al pavimento. Il materiale di fissaggio ...
Installazione *INSTALLATION* 32 Se sulla targhetta dati sono riportati più valori di tensione, la macchina può essere com- mutata per l'allacciamento sulla rispettiva tensione iniziale. La commutazione deve essereeffettuata solo dal servizio di assistenza tecnica autorizzato Miele o da rivenditori...
Accessori su richiesta 34 Gli unici accessori che possono essere montati o utilizzati sono quelli espressamente autorizzati da Miele. Se si montano o utilizzano altri accessori, il diritto alla garanzia e aprestazioni in garanzia per vizi e/o difetti del prodotto decade. Box XCI Mediante il box XC...
Livello gestore 36 Aprire livello gestore 11:02 Programmi Preferiti Gestore Guida Sfiorando il tasto sensore si passa al livello gestore. Accesso tramite codice Il livello gestore deve essere aperto con un codice. Impostazione di serie: il codice è 000 . Modificare codice È possibile mod...
Livello gestore 37 Internazionale Sono disponibili 6 lingue. Il tasto sensore non è attivo. Tenere conto dell'impostazio- ne Scegliere lingue . Scelta della lingua Con il tasto sensore è possibile selezionare una lingua. Sono disponibili tutte le lin- gue (impostazione di serie). La sequenza del...
Livello gestore 38 La data può essere visualizzata partendo dal giorno, dal mese o dall'anno. - Data È possibile impostare l'ora. Volume Il volume dei differenti segnali può essere modificato. Il volume può essere modificato. - Segnale acustico di fine - Acustica tasti - Segn. acustico benven. - Seg...
Livello gestore 39 - Logo dopo 10', non nel progr. Durante il programma il display rimane acceso, ma 10 minuti dopo la fine del programmasi accende il logo. - Impostazione di serie: On dopo 10 minuti Il display si oscura dopo 10 minuti. - On dopo30', non nel progr. Durante il programma il display ri...
Livello gestore 40 - lb Logo Si può scegliere se a display deve comparire il logo “Miele Professional” oppure il propriologo. Con l'impostazione Comandi selezionare l'opzione Lavanderia av. (12 progr.) , Lavanderia av. dur. int. o Lavanderia base dur. est. . - Logo Miele Professional - Logo cliente ...
Livello gestore 41 I primi 3 programmi sono direttamente selezionabili. Gli altri possono essere selezionatida un altro elenco. - Lavanderia base dur. est. 4 programmi a tempo* con diversi livelli di temperatura vengono gestiti a tempo tramiteuna gettoniera esterna. Il valore impostato indica la dur...
Livello gestore 42 Programmi speciali Si possono combinare 5 programmi speciali e occuparli con programmi di umidità residuao programmi a tempo con nomi programma a scelta. Immettere dapprima il nome del programma. Selezionare il programma speciale da modificare. Il menù Salvare come si apre. Im...
Livello gestore 43 – Direz. princip. rotaz. cesto : 0 – 500 secondi – Inversione rotaz. cesto : 0 – 500 secondi – Pausa : 100 – 3000 secondi Disporre programmi I programmi possono essere spostati all'interno dell'elenco programmi e dell'elenco deiprogrammi preferiti. - Impostazione di serie: off - o...
Livello gestore 44 L'impostazione dell'umidità residua al livello di asciugatura Asciutto stiro a macch. avviene su 11 livelli da 16 % (più asciutto) a 26 % (più umido). Impostazione di serie: 20 % Raffreddam. aggiunt. Prima della fine del programma si controlla la temperatura della biancheria asciu...
Livello gestore 45 Pulire filtri Il filtro impurità nell'area di convogliamento aria deve essere pulito regolarmente. È possi-bile indicare un intervallo a ore per la segnalazione di controllo. La scelta dell'intervallo di ore corretto dipende dalla percentuale di impurità presenti o daquanto spesso...
Livello gestore 46 Selezionare sempre questa opzione se non è necessario azionare nessuna valvola aria disfiato. In questo modo si evita un'interruzione del programma. - on - 0 secondi - 1 secondo - 2 secondi ... - 300 secondi Ventola supplementare L'allacciamento di hardware esterni avviene tramite...
Livello gestore 47 Evitare carico di punta Con questa funzione, in caso di imminente segnale del carico di punta, non si modifical'esecuzione di un programma igiene. Il riscaldamento rimane acceso. - Impostazione di serie: off - on Selezione modulo COM L'essiccatoio è dotato di un modulo WLAN integr...
Livello gestore 48 Ora di rete Data e ora possono essere sincronizzate tramite rete. - off Data e ora non vengono sincronizzate tramite rete. - come Master Le macchine si trovano in un luogo senza connessione internet. Una macchina viene di-chiarata come Master e invia i dati alle apparecchiature Sl...
Livello gestore 49 SmartGrid L'impostazione SmartGrid è visibile solo se è stata configurata ed è attiva la rete WLAN. Con questa funzione è possibile avviare la macchina Miele Professional in automatico aun'ora in cui le tariffe energetiche sono particolarmente convenienti. Se è stata attivata Smar...
Dichiarazione di conformità UE 51 Miele dichiara che il modello di essiccatoio PT013 è conforme alla direttiva 2014/53/UE. Il testo completo della dichiarazione di conformità UE è disponibile ai seguenti indirizzi in-ternet: - Auf www.miele.it/it/professional/index.htm sotto "Prodotti", "...
Manuale di installazione Miele PDR 922 [G]
Sommario
it - Istruzioni di installazione 35 Requisiti per l'installazione L'essiccatoio può essere installato e messo in servizio per la prima volta solo dall'assi-stenza tecnica Miele autorizzata o da personale qualificato. Installare la macchina secondo le norme vigenti. Utilizzare l'essiccatoio solo ...
it - Istruzioni di installazione 36 Allacciamento al gas (solo per versioni con riscaldamento a gas) L'allacciamento gas deve essere predisposto solo da un installatore autorizzato nel rispettodelle normative vigenti nel paese (v. istruzioni di installazione). A causa di una portata ridotta non è co...
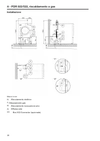
it - PDR 922/522, riscaldamento a gas 38 Installazione 620 280 90 G 501 305 1600 150 305 1600 ~ 50 2 x 150 128 200 EL AL ZL ZL EL AL 501 G G ZL EL AL AL ZL 161 160 "Z" "Y" "Y" "Z" XCI 96 31 ~350 28 128 Misure in mm EL Allacciamento elettrico G Allacciamento gas AL All...
it - PDR 922/522, riscaldamento a gas 39 Posizionamento (standard/zoccolo in cemento) 20 1400 Ø 10 1400 BS 395 B ~ 48 55 1059 ~ 55 >50 Ø 10 ~ 55 B 1600 55 790 395 1066 900 534 B B A A BS >1200 >55 BS >900 534 1066 B B B B A - A B - B >55 790 1600 ~ 48 BS >50 20 Misure in mm B Foro/...
it - Dati tecnici 40 Varianti di tensione/dati elettrici Allacciamento standard Tensione di allacciamento 1N AC 230 V Frequenza 50 Hz Potenza assorbita 1,0 kW Protezione elettrica (a cura del committente) 10 A Sezione minima cavo di allacciamento 3×1,5 mm² Pressacavo M20 Allacciamento gas Potenza di...
it - Dati tecnici 41 Dati macchina Larghezza macchina fuori tutto 906 mm Altezza macchina fuori tutto 1.400 mm Profondità macchina fuori tutto 1.162 mm Larghezza nicchia 1.250 mm Distanza dal muro raccomandata (fino al bordo anteriore dellamacchina) 1.600 mm Distanza minima dalla parete (fino al bor...
it - Dati tecnici 42 Opzioni/accessori Base in cemento (predisposta dal committente) Larghezza minima 900 mm Altezza raccomandata 100 mm Altezza minima 50 mm Profondità minima 1.200 mm I componenti in cemento e la relativa resistenza devono essere misurati in base al peso della macchina. La base di ...
Guida rapida Miele PDR 922 [G]
Sommario
it - Il Vostro contributo alla tutela dell'ambiente 60 Smaltimento dell'imballaggio L'imballaggio impedisce che l'essiccatoio subisca dei danni durante iltrasporto. I materiali utilizzati per l'imballaggio sono riciclabili, per cuiselezionati secondo criteri di rispetto dell'ambiente e di facilità d...
it - Istruzioni per la sicurezza e avvertenze 61 Leggere assolutamente le presenti istruzioni d'uso. Documentazione ampliata Questo documento contiene informazioni di base. Le istruzioni d'uso complete e altri docu-menti relativi al vostro apparecchio sono disponibili sulla pagina internet Miele:h...
it - Istruzioni per la sicurezza e avvertenze 62 Le persone che per le loro capacità fisiche, sensoriali o psichiche o per la loro inesperien- za o non conoscenza non siano in grado di utilizzare in sicurezza l'essiccatoio, non devonofarne uso senza la sorveglianza e la guida di una persona respon...
it - Istruzioni per la sicurezza e avvertenze 63 L'essiccatoio non può essere messo in funzione senza filtro impurità o con questo filtro danneggiato. Si possono verificare anomalie nel funzionamento. Le impurità ostruiscono icondotti dell'aria, il riscaldamento e il condotto di sfiato e questo pu...
it - Istruzioni per la sicurezza e avvertenze 64 In ogni caso è necessario chiedere conferma sulla sicurezza del funzionamento a uno spaz-zacamino competente per evitare anche una depressione di 4 Pa e superiore. Per l'installazione di più essiccatoi a un collettore di sfiato, installare per ogni ...
it - Istruzioni per la sicurezza e avvertenze 65 Pulire sempre a fondo il luogo di posizionamento di modo da eliminare polvere e lanugi- ne. Le particelle di sporco contenute nell'area aspirata favoriscono gli intasamenti. Può veri-ficarsi un guasto e sussiste pericolo d'incendio. L'essiccatoio ...
it - Come si usa l'essiccatoio 66 Pannello comandi a Tasto sensore Per scegliere la lingua del gestoreAl termine del programma la lingua passa in automatico a quella impostata al livello ge-store. b Tasto sensore Consente di ritornare al livello precedente nel menù. c Display touch d Tasto sen...
it - Come si usa l'essiccatoio 67 Tasti sensore e display touch con tasti sensore I tasti sensore , e Start/Stop nonché i tasti sensore a display reagiscono al contat- to. A ogni contatto è associato un segnale acustico. Il volume dell'acustica tasti può esseremodificato o spento (v. cap. "L...
it - Come si usa l'essiccatoio 68 La barra di scorrimento arancione nell'area inferiore del display indica che seguono altrepossibilità di selezione. Per selezionare il programma di asciugatura desiderato, toccare il nome programma con ildito. Il display passa al menù base del programma selezionat...
it - Come si usa l'essiccatoio 69 12:00 3 4 2 1 5 6 7 8 0 9 Orologio OK Per immettere un valore numerico, toccare le cifre sul lato destro e confermare infine con OK . Menù a tendina Nel menù a tendina è possibile visualizzare diverse informazioni (relative a un programma diasciugatura). 11:...
it - Asciugatura 70 1. Cura della biancheria Lavaggio primadell'asciugatura Lavare accuratamente i capi particolarmente sporchi. Utilizzare unaquantità sufficiente di detersivo e selezionare una temperatura eleva-ta. In caso di dubbi, lavarli più volte. Se per il lavaggio della biancheria sono stati...
it - Asciugatura 71 2. Introdurre i capi nell'essiccatoio Introdurre la bian-cheria nell'essic-catoio I capi si possono danneggiare.Prima di introdurre la biancheria leggere il capitolo “1. Cura dellabiancheria". Aprire lo sportello. Introdurre la biancheria nell'essiccatoio. Pericolo di dan...
it - Asciugatura 72 Toccare il tasto sensore Programmi . 11:02 Cot.resistente colorato Programmi Cotone PRO Lava/indossa Delicati Cotone Lana Scorrere verso sinistra con il dito finché compare il programma desi-derato. Toccare il tasto sensore del programma. Il display passa al menù bas...
it - Asciugatura 74 5. Avviare un programma Gettoniera (opzio-nale) Se la macchina è allacciata a una gettoniera, seguire le indicazioni peril pagamento che compaiono sul display. Possibile perdita di valore aprendo lo sportello o in caso di interru-zione del programma.A seconda dell'impostazione, a...
it - Asciugatura 75 Con i primi usi dei programmi la durata visualizzata diverge in partesensibilmente dalla durata residua reale dell'asciugatura. La differen-za tra durata prevista e raggiunta diminuisce se il rispettivo program-ma viene eseguito più spesso. Se differenti quantità di carico vengo-...
it - Pulizia e manutenzione 76 Pulire il filtro impurità Pericolo di incendio a causa del funzionamento dell'essiccatoio senza filtro impurità. I circuiti dell'aria, il riscaldamento e il condotto di sfiato possono ostruirsi e incendiarsinel corso del funzionamento dell'essiccatoio senza filtro im...
it - Pulizia e manutenzione 77 Pericolo di danneggiamento a causa di detergenti contenenti solventi e prodotti abra- sivi.Non usare solventi, prodotti abrasivi, per vetro o universali che potrebbero danneggiare lesuperfici in materiale plastico o altri componenti.Pulire l'essiccatoio solo con un p...
it - Assistenza tecnica 78 Contatti in caso di guasto In caso di guasti che non si è in grado di risolvere da soli, contattare il negozio specializzatoMiele o il servizio di assistenza tecnica Miele. Il numero di telefono dell'assistenza tecnica Miele si trova in fondo alle presenti istruzioni. Indi...
it - Installazione *INSTALLATION* 79 Requisiti per l'installazione Danni a persone e cose a causa di un posizionamento non cor- retto.Il posizionamento non corretto dell'essiccatoio può causare danni apersone o cose.L'essiccatoio può essere installato e messo in servizio per la primavolta solo dal...
it - Installazione *INSTALLATION* 81 Stringere i dadi dei piedini con una chiave sulla lamiera di base dopoaverli regolati. Fissaggio Per una maggiore sicurezza di posizionamento fissare l'essiccatoiocon le griffe d'ancoraggio in dotazione tramite i piedini al pavimento. Il materiale di fissaggi...
it - Installazione *INSTALLATION* 82 Se sulla targhetta dati sono riportati più valori di tensione, la mac- china può essere modificata sulla rispettiva tensione per l'allaccia-mento. La modifica deve essere effettuata solo dal servizio di assi-stenza tecnica autorizzato Miele o da rivenditori qua...
it - Installazione *INSTALLATION* 83 Allacciamento al gas (solo per versioni con riscaldamentoa gas) L'allacciamento gas deve essere predisposto solo da un installatoreautorizzato nel rispetto delle normative vigenti nel paese. A causa di una portata ridotta non è consentito l'utilizzo di una presag...
it - Dati tecnici 84 PDR 914 PDR 918 PDR 922 PDR 928 PDR 944 Altezza 1400 mm 1400 mm 1400 mm 1640 mm 1640 mm Larghezza 906 mm 906 mm 906 mm 1206 mm 1206 mm Profondità 852 mm 1035 mm 1162 mm 1018 mm 1385 mm Profondità a sportello aperto 1456 mm 1639 mm 1768 mm 1622 mm 1988 mm Volume cesto 250 l 325 l...
Other Miele Altri Manuals
-
Miele APWM 063
Manuale di installazione
-
Miele APWM 020
Manuale d'uso
-
Miele APWM 020
Manuale di installazione
-
Miele SC
Manuale di installazione
-
Miele PR
Manuale di installazione
-
Miele FP 900
Manuale di installazione
-
Miele RP 900
Manuale di installazione
-
Miele APWM 019
Manuale d'uso
-
Miele APWM 019
Manuale di installazione
-
Miele PR 900
Manuale di installazione
-
Miele A 830/1
Manuale d'uso
-
Miele TT 86
Manuale d'uso
-
Miele RP 1150
Manuale di installazione
-
Miele APCL 001
Manuale di installazione
-
Miele E 473/2
Manuale d'uso
-
Miele FFK 01
Manuale di installazione
-
Miele FFK 01
Manuale
-
Miele DS 5
Manuale di installazione
-
Miele DS 10
Manuale di installazione
-
Miele DOS K 85 flex
Manuale di installazione