Miele APWM 019 - Istruzioni

Miele APWM 019 - Manuale d'uso, Manuale di installazione in formato PDF online
Istruzioni:
Manuale d'uso Miele APWM 019
























































































































































Sommario
it - Il Vostro contributo alla tutela dell'ambiente 105 Smaltimento dell'imballaggio L'imballaggio protegge il Box Connector durante il trasporto. I mate-riali utilizzati per l'imballaggio sono riciclabili, in quanto selezionati se-condo criteri di rispetto dell’ambiente e di facilità di smaltimento...
it - Indicazioni per la sicurezza e avvertenze 107 Questo Box Connector è conforme alle vigenti norme di sicurezza.Un uso improprio può comunque causare danni a persone e/o co-se. Leggere dapprima le istruzioni d'uso e di montaggio per il BoxConnector. Contengono istruzioni importanti per la sicurez...
it - Indicazioni per la sicurezza e avvertenze 108 I fermacavo forniti di serie e i raccordi con i controdadi per l'allac- ciamento dell'hardware esterno devono essere utilizzati.
it - Descrizione del funzionamento 109 Funzionamento Mediante il Box Connector è possibile allacciare alla macchina MieleProfessional gli hardware esterni di Miele e di altri fornitori. Hardwareesterni sono p.es. gettoniere, sistemi di dosaggio, impianti di spegni-mento carico di punta, sensori di p...
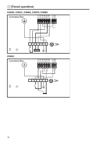
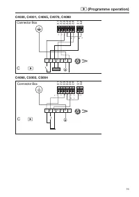
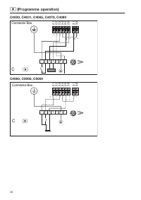
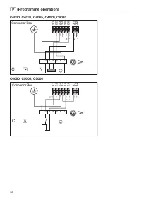
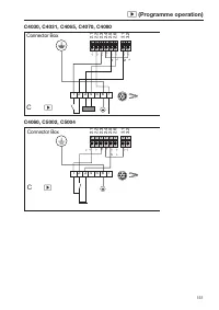
it - Installazione 112 Al momento dell'installazione accertarsi che con l'allacciamentodella lavatrice o dell'essiccatoio assieme al Box Connector eall'hardware collegato non si superi la corrente di sicurezza dellarete di tensione. Gli ingressi e le uscite sono predisposti per le correnti singolarm...
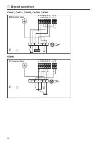
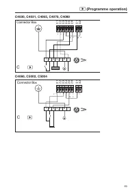
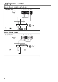
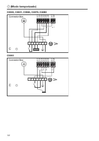
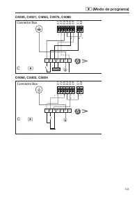
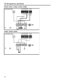
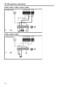
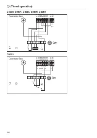
it - Installazione 113 Tabella funzionamento e capacità di corrente codifica 1 Utilizzo Posizione sui morsetti Segnale Direzione segnale Capacità corrente Descrizione funzionamento Messa a terr a PE PE Messa a terra PE PE Messa a terra PE PE Messa a terra PE PE Messa a terra C arico di p...
it - Installazione 115 Tabella funzionamento e capacità di corrente codifica 2 Utilizzo Posizione sui morsetti Segnale Direzione segnale Capacità corrente Descrizione funzionamento Messa a terr a PE PE Messa a terra PE PE PE PE PE PE WRG 1.1 L' 1,0 A WRG pompa ON 1.2 N' 0,5 A WRG v...
it - Allacciamento elettrico *INSTALLATION* 117 Allacciamento elettrico Il Box Connector è alimentato con tensione di rete attraverso la mac-china Miele Professional. Il Box non ha un interruttore aggiuntivo On/Off . Danneggiamento del Box a causa di un allacciamento scorretto. Il Box può danneggi...
Manuale di installazione Miele APWM 019




















Other Miele Altri Manuals
-
Miele APWM 063 Manuale di installazione
-
Miele APWM 020 Manuale d'uso
-
Miele APWM 020 Manuale di installazione
-
Miele SC Manuale di installazione
-
Miele PR Manuale di installazione
-
Miele FP 900 Manuale di installazione
-
Miele RP 900 Manuale di installazione
-
Miele PR 900 Manuale di installazione
-
Miele A 830/1 Manuale d'uso
-
Miele TT 86 Manuale d'uso
-
Miele RP 1150 Manuale di installazione
-
Miele APCL 001 Manuale di installazione
-
Miele E 473/2 Manuale d'uso
-
Miele FFK 01 Manuale di installazione
-
Miele FFK 01 Manuale
-
Miele DS 5 Manuale di installazione
-
Miele DS 10 Manuale di installazione
-
Miele DOS K 85 flex Manuale di installazione
-
Miele APDR 002 Manuale d'uso
-
Miele APDR 002 Manuale di installazione