Pagina 1 - Ispezione di preconsegna e numeri di
Sommario Introduzione................................................................ 138Sicurezza.................................................................... 143Utilizzo........................................................................ 148Manutenzione.....................................
Pagina 2 - Panoramica del prodotto
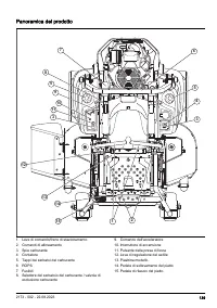
Panoramica del prodotto 7 8 5 9 10 11 3 12 14 15 5 4 3 1 2 13 6 1. Leve di comando/freno di stazionamento2. Comandi di allineamento3. Spia carburante4. Contatore5. Tappi dei serbatoi del carburante6. ROPS7. Fusibili8. Selettore del serbatoio del carburante / valvola di esclusione carburante 9. Coman...
Pagina 5 - Danni al prodotto
Arrestare il motore e rimuovere la chiave di accensione prima di eseguire interventi di riparazione o manutenzione. Non utilizzare il prodotto senza deflettore o raccoglierba. Indossare sempre protezioni acustiche approvate. Non mettere il piede qui. Cambio in folle. Retromarcia. Controllare il moto...
Pagina 6 - Sicurezza; Definizioni di sicurezza; Istruzioni di sicurezza relative ai bambini
• Il prodotto non viene riparato presso un centro di assistenza autorizzato o presso un'autorità competente. Sicurezza Definizioni di sicurezza Le avvertenze, le precauzioni e le note sono utilizzate per evidenziare le parti importanti del manuale. AVVERTENZA: Utilizzato se è presente un rischio di ...
Pagina 7 - Istruzioni di sicurezza per l'utilizzo; Istruzioni di sicurezza per l'utilizzo in
bambini resteranno nel punto in cui sono stati visti l'ultima volta. • Tenere i bambini lontani dall'area operativa e farli sorvegliare da un adulto responsabile che non sia l'operatore. • Non trasportare mai i bambini, nemmeno con le lame disinserite. Potrebbero cadere e subire gravi lesioni oppure...
Pagina 9 - Sicurezza per l'uso del carburante
Per fare un controllo della chiave di accensione• Avviare e arrestare il motore per controllare la chiave di accensione. Fare riferimento a Avviamento del motore alla pagina 150 e Arresto del motore alla pagina 152. • Accertarsi che il motore si avvii ruotando la chiave di accensione in posizione St...
Pagina 10 - Istruzioni di sicurezza per la
• Prestare particolare attenzione quando si utilizzano la benzina e altri carburanti. Sono infiammabili e i vapori sono esplosivi. • La benzina e i vapori della benzina sono tossici e molto infiammabili. Prestare la massima attenzione alla benzina per evitare lesioni o incendi. • Lasciare che il mot...
Pagina 11 - Utilizzo; Introduzione
AVVERTENZA: I fumi di scarico del motore contengono monossido di carbonio, un gas inodore, velenoso ed estremamente pericoloso. Non utilizzare il prodotto in spazi chiusi o con un flusso d'aria insufficiente. • Mantenere il prodotto in buone condizioni. Sostituire le parti usurate o danneggiate.Pres...
Pagina 14 - Utilizzo del prodotto
2. Spingere il pulsante PTO per disinserire la trasmissione sul piatto di taglio. 3. Portare il piatto di taglio in posizione di trasporto. Fare riferimento a Impostazione del piatto di taglio in posizione di trasporto o di taglio alla pagina 150. 4. Inserire il freno di stazionamento. Fare riferime...
Pagina 16 - Manutenzione; Programma di manutenzione per l'operatore
4. Spingere le leve di comando in avanti. Per effettuare una piccola sterzata (C), tirare con più forza la leva di comando che si trova nella direzione della linea d'erba precedentemente tagliata. 5. Spingere in avanti le 2 leve di comando per tagliare la linea successiva. Manutenzione Introduzione ...
Pagina 18 - Pulizia del prodotto
Manutenzione Manutenzione gior- naliera Intervallo di manutenzione in ore Ogni stagione Prima dell'uso Dopo l'uso 25 50 100 250 300 400 500 Rimuovere i detriti dal cilindro e dalle alette di raffreddamento sul- la testata. 62 , 63 O Controllare e pulire le alette di raffreddamento sullo scambiatore ...
Pagina 19 - Esaminare e regolare il freno di
• Non puntare il getto d’acqua sui componenti elettrici o i cuscinetti. L’impiego di un detergente solitamente aumenta il danno. • Utilizzare aria compressa per pulire la superficie superiore del piatto del rasaerba. • Utilizzare un tubo dell'acqua per pulire sotto il piatto di taglio. • Quando il p...
Pagina 20 - Per collegare i cavi di avviamento; Rimozione e montaggio della batteria
11. Inserire e disinserire i freni di stazionamento almeno 6 volte per assicurarsi che funzionino correttamente. Fare riferimento a Inserimento e disinserimento del freno di stazionamento alla pagina 149. 12. Misurare nuovamente il gioco (A) tra la staffa del blocco di sicurezza e l'adattatore. 13. ...
Pagina 27 - Coppie di serraggio; Ricerca guasti; Programma di ricerca guasti
Coppie di serraggio Bullone di albero a gomiti del motore 50 ft-lb / 68 Nm Dadi della puleggia del mandrino 17 ft-lb / 23 Nm Dadi della puleggia tendicinghia 30 ft-lb / 40,6 Nm Dado della boccola della leva di rinvio 70 ft-lb / 95 Nm Dadi a staffa 75 ft-lb / 102 Nm Bulloni lama 90 ft-lb / 122 Nm Can...
Pagina 29 - Trasporto, stoccaggio e smaltimento; Trasporto; Per il traino del prodotto; AL PIANO TERRA
Problema Causa Il risultato del taglio è insoddisfa- cente. La pressione degli pneumatici è diversa sui lati destro e sinistro. Fare riferimento a Pressioni degli pneumatici alla pagina 158. Le lame sono danneggiate. La sospensione del piano di taglio non è in piano. Le lame non sono affilate. Fare ...
Pagina 30 - Smaltimento
Lasciare raffreddare che il prodotto prima del rimessaggio. • Pulire il prodotto. Fare riferimento a Pulizia del prodotto alla pagina 155. • Rimuovere i materiali indesiderati dalla ventola di raffreddamento. • Ritoccare la vernice danneggiata per evitare la corrosione. • Esaminare il prodotto per v...
Pagina 31 - Dati tecnici
Dati tecnici Dati tecnici Z560X Motore Marca / Modello Kawasaki/FX801V Potenza nominale motore, hp/kW 73 23,9/17,9 Cilindrata, cm 3 852 Massimo regime del motore, giri/min 3000 ± 100 Carburante, numero minimo di ottani senza piombo, max 10% di etanolo, max 15% di MTBE 87 Volume serbatoio, galloni/l ...
Pagina 32 - Tempi di carica della batteria
Z560X Piatto di taglio Formato del piatto Calibro 7 montato Numero di lame 3 Lunghezza lama, pollici/cm 21/53,23 Innesto lame Frizione elettromagnetica Produttività, acri/h/m 2 /h 4,8/19.424,9 Pneumatici Pressione degli pneumatici, posteriore - anteriore, kPa/PSI/bar 103/15/1 Pneumatici ruote pivota...
Pagina 33 - Assistenza
Batteria standard Stato di carica TEMPO DI RICARICA APPROSSIMATIVO* PER UNA CARICA COMPLE- TA A 80° °F/26° C 75 Velocità massima a: 50 A 30 A 20 A 10 A 12,0 V 25% 65 min 115 min 145 min 280 min 11,8 V 0% 85 min 150 min 195 min 370 min Assistenza Assistenza Eseguire un controllo annuale presso un cen...
Pagina 34 - Dichiarazione di conformità; Dichiarazione di conformità UE
Dichiarazione di conformità Dichiarazione di conformità UE Husqvarna AB, SE 561 82 Huskvarna, SVEZIA, dichiara sotto la propria esclusiva responsabilità che il prodotto indicato: Descrizione Tagliaerba Zero turn Marchio Husqvarna Piattaforma / Tipo / Modello Z560X Lotto A partire dal numero di serie...