Pagina 7 - Panoramica del prodotto
Sommario Introduzione............................................................ 65Sicurezza................................................................ 66Montaggio............................................................... 69Utilizzo............................................................
Pagina 8 - Sicurezza; Definizioni di sicurezza
(Fig. 21) Usare guanti protettivi. (Fig. 22) Livello potenza acustica. (Fig. 23) Nessun intervento su pendii maggiori di 20 gradi. (Fig. 24) Pericolo di caduta. (Fig. 25) Togliere la chiave prima della manutenzione. (Fig. 26) Smontare il cavo della candela prima della manutenzione. (Fig. 27) Prestar...
Pagina 11 - Montaggio; Per rimuovere il prodotto dalla
contatto del carburante con il corpo, rimuoverlo con acqua e sapone. • Non avviare il prodotto se il motore presenta una perdita. Esaminare regolarmente il motore per verificare la presenza di eventuali perdite. • Prestare la massima attenzione con il carburante. Il carburante è infiammabile e i fum...
Pagina 12 - Utilizzo
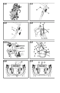
(Fig. 47) Rondella in nylon (1) (Fig. 48) Bulloni di trasporto 5/16-18 x 5/8 (1) (Fig. 49) Molla (1) (Fig. 50) Bullone con flangia ¼-20 (1) Installazione dell'impugnatura 1. Sollevare l'impugnatura superiore in posizione di funzionamento. (Fig. 51) 2. Regolare la posizione dell'impugnatura su uno de...
Pagina 16 - Manutenzione; Introduzione
• Non spedire il deflettore dello scivolo se è intasato. • Se il prodotto non si sposta in avanti a causa di circostanze impreviste, rilasciare immediatamente l'innesto della trasmissione o portare la chiave ON/OFF su OFF. Manutenzione Introduzione Quando il prodotto è in uso, i bulloni possono alle...
Pagina 19 - Per regolare la tensione del cavo per
6. Rimuovere il bullone superiore (I) che fissa la piastra mobile al telaio 7. Ruotare e mantenere la piastra mobile lontano dal prodotto e rimuovere la cinghia di trasmissione dalla puleggia di comando (J). Installazione della cinghia di trasmissione 1. Ruotare e mantenere la piastra rotante (D) lo...
Pagina 21 - Ricerca guasti; Ricerca dei guasti
Ricerca guasti Ricerca dei guasti Problema Possibile causa Soluzione Il prodotto non si avvia La chiave di accensione di sicurezza non è inserita. Inserire la chiave di accensione di sicurezza. Il prodotto ha esaurito il carburante. Riempire il serbatoio del carburan- te con benzina nuova e pulita. ...
Pagina 24 - Trasporto, stoccaggio e smaltimento; Trasporto e conservazione; Dati tecnici
Trasporto, stoccaggio e smaltimento Trasporto e conservazione • Per trasportare e conservare il prodotto e il carburante, accertarsi che non vi siano perdite o fumi. Scintille o fiamme aperte, provocate ad esempio da dispositivi elettrici o caldaie, possono innescare un incendio. • Utilizzare sempre...
Pagina 26 - Dichiarazione di conformità; Dichiarazione di conformità UE
Dichiarazione di conformità Dichiarazione di conformità UE Husqvarna AB, SE 561 82 Huskvarna, SVEZIA, dichiara sotto la propria esclusiva responsabilità che il prodotto indicato: Descrizione Spazzaneve Marchio Husqvarna Piattaforma / Tipo / Modello ST 324, ST 327, ST 330 Lotto A partire dal numero d...