Fisher & Paykel HC90DCXB1 - Istruzioni
 
                                Cappa da cucina Fisher & Paykel HC90DCXB1 - Manuale d'uso in formato PDF online
Istruzioni:
Manuale d'uso Fisher & Paykel HC90DCXB1
Sommario
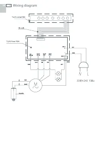
32 IT Istruzioni per l’installazione, manutenzione e uso Cappa aspirante decorativa Egregio Cliente, Abbiamo la certezza che l’acquisto della nostra cappa aspirante soddisferà pienamente le sue necessità; al riguardo La preghiamo di leggere attentamente le istruzioni del manuale che Le permetteranno...
33 IT Pannello comandi touch control Questo pannello si trova sulla parte frontale della cappa e comprende: Indicatore/pulsante di avviso per la pulizia dei filtri (rif. A). Si attiva periodicamente per indicare all’utente la necessità di una pulizia dei filtri e si disattiva con una sola pulsazione...
34 IT Informazioni importanti sulla sicurezza Importante! ■ ■ Non collegare la cappa ad un condotto di aspirazione dei fumi, tubi di aerazione o condotti di acqua calda. Prima di collegare i tubi, consultare le ordinanze municipale per la fuoriuscita d’aria e chiedere il permesso alla persona respon...
 
                             
                             
                             
                             
                             
                             
                             
                             
                             
                             
                             
                             
                             
                             
                             
                            