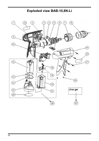
Bort BAB-10.8N-Li 93728410 - Istruzioni
 
                                Driver a impatto Bort BAB-10.8N-Li 93728410 - Manuale d'uso in formato PDF online
 
                                Driver a impatto Bort BAB-10.8N-Li 93728410 - Manuale d'uso in formato PDF online