AL-KO Jet 60005 PREMIUM - Istruzioni
Pompa AL-KO Jet 60005 PREMIUM - Manuale d'uso in formato PDF online
Istruzioni:
Manuale d'uso AL-KO Jet 60005 PREMIUM
Sommario
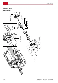
Libretto di istruzioni originale 467 774_a 43 LIBRETTO DI ISTRUZIONI ORIGINALE Indice Riguardo questo manuale................................ 43Descrizione del prodotto.................................. 43Indicazioni di sicurezza.................................... 44Montaggio..........................
it Libretto di istruzioni 44 JET 4000 / JET 5000 / JET 6000 INOX Gli apparecchi con denominazione "INOX" ven- gono forniti in versione in acciaio legato inossida- bile. Questo non comporta variazioni di struttura e funzionamento. Impiego conforme agli usi previsti La pompa da giardino è dest...
Messa in funzione 467 774_a 45 2. Avvitare il nipplo angolare (fig. B -13) con la guarnizione (fig. B -14) sul nipplo di raccordo (fig. B -15) e ruotare il nipplo angolare nella direzione desiderata. 3. Fissare un tubo di mandata (fig. B -12) al nipplo angolare (fig. B -13) . 4. Aprire tutte le chiu...
 
                             
                             
                             
                             
                             
                             
                             
                             
                             
                             
                             
                             
                             
                             
                             
                             
                             
                             
                                                                 
                                                                 
                                                                 
                                                                 
                                                                 
                                                                 
                                                                 
                                                                 
                                                                 
                                                                 
                                                                 
                                                                 
                                                                 
                                                                 
                                                                 
                                                                 
                                                                 
                                                                 
                                                                