Pagina 7 - LIBRETTO DI ISTRUZIONI ORIGINALI; Sommario; RIGUARDO QUESTO MANUALE; Spiegazione dei simboli; DESCRIZIONE DEL PRODOTTO; Dati tecnici
Libretto di istruzioni originali 440 083_a 41 LIBRETTO DI ISTRUZIONI ORIGINALI Sommario Riguardo questo manuale................................ 41Descrizione del prodotto.................................. 41Panoramica prodotto........................................ 42Indicazioni di sicurezza..........
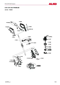
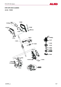
Pagina 8 - Manico telescopico regolabile; PANORAMICA PRODOTTO
it Descrizione del prodotto 42 GTE 350 / 450 / 550 La distanza fra l'apparecchio e terzi deve essere di almeno di 15 m. Non esporre l'apparecchio a ba- gnato od umidità. Portare occhiali protettivi, casco e protezione acustica. Qualora il cavo di prolunga sia danneggiato o sia stato tagliato, separa...
Pagina 9 - Sicurezza elettrica
Indicazioni di sicurezza 440 083_a 43 Tenere lontane le linee di prolunga dagli att- rezzi di taglio.Se durante l'uso la linea viene danneggiata, separarla immediatamente dalla rete. NON TOCCARE LA LINEA PRIMA DI AVERLA SEPARATA DALLA RETE.Lavorare sempre con un abbigliamento ade- gua-to, indossare ...
Pagina 10 - MONTAGGIO; Montare lo scudo; MESSA IN FUNZIONE; Regolazione del manico telescopico
it Indicazioni di sicurezza 44 GTE 350 / 450 / 550 La tensione della rete domestica deve coin- cidere con i dati della tensione di rete, non utilizzare una tensione di alimentazione di- versa.Utilizzare solo cavi di prolunga previsti per l'uso all'aperto - sezione minima 1,5 mm 2 . Srotolare sempre ...
Pagina 11 - OPERAZIONE; MANUTENZIONE E CURA; Sostituire la bobina; CONSERVAZIONE
Messa in funzione 440 083_a 45 ADVICE Rimuovere la protezione della forbice ta- gliafili prima della prima messa in fun- zione. Avviare il trimmer 1. Condurre il cavo di prolunga attraverso il portacavo. 2. Collegare il cavo di prolunga alla rete elettrica.3. Assumere una posizione stabile.4. Tenere...
Pagina 12 - SMALTIMENTO; rie e gli accumulatori esausti tra i rifi-; RIMEDI IN CASO DI GUASTO; Anomalia; GARANZIA
it Conservazione 46 GTE 350 / 450 / 550 ADVICE Sospendere il trimmer per la maniglia. In questo modo la testina non viene cari- cata inutilmente. Immagazzinare l'apparecchio in un luogo asciutto e protetto dal gelo. SMALTIMENTO Non smaltire gli apparecchi, le batte- rie e gli accumulatori esausti tr...
Pagina 13 - DICHIARAZIONE DI CONFORMITÀ CE
Dichiarazione di conformità CE 440 083_a 47 DICHIARAZIONE DI CONFORMITÀ CE A questo mezzo dichiariamo che questo prodotto, nella versione da noi messa in circolazione, soddisfa i requisiti delle direttive UE armo-nizzate, delle norme di sicurezza UE e degli standard specifici di prodotto. Prodotto C...