Ballu-Biemmedue GA/N 70 C - Manuale d'uso
 
                
                                    Riscaldatore Ballu-Biemmedue GA/N 70 C – Manuale d'uso, leggi gratuitamente online in formato PDF. Speriamo che questo ti aiuti a risolvere eventuali dubbi. Se hai ulteriori domande, contattaci tramite il modulo di contatto.
Indice:
- Pagina 4 – IMPORTANTE; accompagnare l’apparecchio in caso di passaggio di proprietà.; CONDIZIONI DI FORNITURA; RACCOMANDAZIONI GENERALI
- Pagina 5 – ISTRUZIONI PER L’INSTALLAZIONE; NO
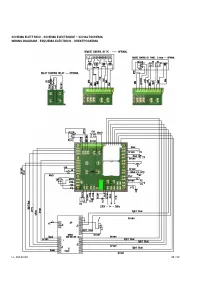
- Pagina 7 – HONEYWELL VR 46
 
L-L 254.00-RK 
2 / 52
 
 
 
 
 
 
 
 
 
 
 
 
 
 
 
 
 
 
 
 
 
 
 
 
 
 
 
 
 
 
 
 
 
 
 
 
 
 
 
 
 
 
 
 
 
 
 
 
 
 
 
 
 
 
 
 
 
"Caricamento dell'istruzione" significa che è necessario attendere finché il file non è caricato e pronto per la lettura online. Alcune istruzioni sono molto grandi e il tempo di caricamento dipende dalla velocità della tua connessione a Internet.
Sommario
IT L-L 254.00-RK 5 / 52 IMPORTANTE Prima di usare il generatore, si prega di leggere con attenzione tutte le istruzioni d’uso riportate di seguito e di seguirne scrupolosamente le indicazioni. Il costruttore non è responsabile per danni a cose e/o persone derivanti da uso improprio dell’apparecchio....
IT L-L 254.00-RK 6 / 52 Attenzione Questo apparecchio non è utilizzabile da persone (inclusi bambini) con ridotte capacità fisiche, sensoriali, mentali o con scarsa esperienza e conoscenza a meno che non siano visionati od istruiti sull’uso dell’apparecchio dalla persona che è responsabile per la su...
IT L-L 254.00-RK 8 / 52 4.5. TRASFORMAZIONE AD ALTRO TIPO DI GAS Questa operazione può essere svolta più volte durante la vita operativa della macchina e non solo alla prima accensione. Si deve innanzitutto consultare la Tab. I ed individuare la categoria di riferimento per gas naturale o gas liquid...
 
                     
                     
                     
                     
                     
                     
                     
                     
                     
                     
                     
                     
                     
                     
                     
                    