AL-KO Jet 5000 - Manuale d'uso
 
                
                                    Pompa AL-KO Jet 5000 – Manuale d'uso, leggi gratuitamente online in formato PDF. Speriamo che questo ti aiuti a risolvere eventuali dubbi. Se hai ulteriori domande, contattaci tramite il modulo di contatto.
Indice:
- Pagina 3 – LIBRETTO DI ISTRUZIONI ORIGINALE; Indice; RIGUARDO QUESTO MANUALE; Spiegazione dei simboli; DESCRIZIONE DEL PRODOTTO; Panoramica prodotto
- Pagina 4 – INDICAZIONI DI SICUREZZA
- Pagina 5 – MESSA IN FUNZIONE; MANUTENZIONE E CURA
- Pagina 6 – zione «Pulizia del filtro»); STOCCAGGIO; SMALTIMENTO
- Pagina 7 – AIUTO IN CASO DI ANOMALIA
- Pagina 8 – Anomalia
- Pagina 9 – GARANZIA
467 774_a I 05/2012
ST
ART
ST
OP
057
JET 4000 / JET 5000 / JET 6000
Betriebsanleitung
"Caricamento dell'istruzione" significa che è necessario attendere finché il file non è caricato e pronto per la lettura online. Alcune istruzioni sono molto grandi e il tempo di caricamento dipende dalla velocità della tua connessione a Internet.
Sommario
Libretto di istruzioni originale 467 774_a 43 LIBRETTO DI ISTRUZIONI ORIGINALE Indice Riguardo questo manuale................................ 43Descrizione del prodotto.................................. 43Indicazioni di sicurezza.................................... 44Montaggio..........................
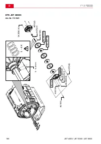
it Libretto di istruzioni 44 JET 4000 / JET 5000 / JET 6000 INOX Gli apparecchi con denominazione "INOX" ven- gono forniti in versione in acciaio legato inossida- bile. Questo non comporta variazioni di struttura e funzionamento. Impiego conforme agli usi previsti La pompa da giardino è dest...
Messa in funzione 467 774_a 45 2. Avvitare il nipplo angolare (fig. B -13) con la guarnizione (fig. B -14) sul nipplo di raccordo (fig. B -15) e ruotare il nipplo angolare nella direzione desiderata. 3. Fissare un tubo di mandata (fig. B -12) al nipplo angolare (fig. B -13) . 4. Aprire tutte le chiu...
 
                     
                     
                     
                     
                     
                     
                     
                     
                     
                     
                     
                     
                     
                     
                     
                     
                     
                                                                         
                                                                         
                                                                         
                                                                         
                                                                         
                                                                         
                                                                         
                                                                         
                                                                        