Pagina 2 - SERVIZIO CLIENTI E MANUTENZIONE; INFORMAZIONI DI SICUREZZA; Leggere attentamente le istruzioni fornite prima di
INDICE 1. INFORMAZIONI DI SICUREZZA................................................................................. 2 2. ISTRUZIONI DI SICUREZZA........................................................................................ 5 3. INSTALLAZIONE...................................................
Pagina 5 - ISTRUZIONI DI SICUREZZA; Installazione
istruzioni d'uso, ad esempio accessori idonei o le protezioni del piano cottura incorporate nell'apparecchiatura. L'uso inadeguato delle protezioni può causare incidenti. 2. ISTRUZIONI DI SICUREZZA 2.1 Installazione AVVERTENZA! L’installazione dell'apparecchiatura deve essere eseguita da personale q...
Pagina 6 - Utilizzo
pentole calde quando si collega l'apparecchiatura alle prese vicine. • Non utilizzare prese multiple e prolunghe. • Accertarsi di non danneggiare la spina o il cavo (ove previsti). Contattare il nostro Centro Assistenza autorizzato o un elettricista qualificato per sostituire un cavo danneggiato. • ...
Pagina 7 - INSTALLAZIONE
• Non mettere coperchi caldi sulla superficie in vetro del piano cottura. • Non esporre al calore pentole vuote. • Fare attenzione a non lasciar cadere oggetti o pentole sull'apparecchiatura. La superficie si potrebbe danneggiare. • Non mettere in funzione le zone di cottura in assenza di pentole o ...
Pagina 8 - Montaggio
ATTENZIONE! Non forare o saldare le estremità dei cavi. Questo è severamente vietato! ATTENZIONE! Non collegare il cavo senza la rispettiva guaina terminale. Sezione cavo NL1 N L 230V~ 400V 2~N L2 Collegamento a una fase - 230 V ~ Collegamento a due fasi - 400 V 2 ~ N Verde - giallo Verde - giallo N...
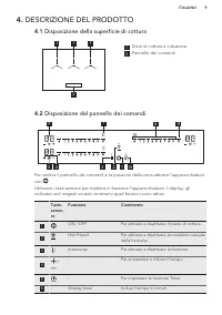
Pagina 9 - DESCRIZIONE DEL PRODOTTO; Disposizione della superficie di cottura; Disposizione del pannello dei comandi
4. DESCRIZIONE DEL PRODOTTO 4.1 Disposizione della superficie di cottura 2 1 1 1 1 Zona di cottura a induzione 2 Pannello dei comandi 4.2 Disposizione del pannello dei comandi 6 7 9 1 10 2 3 4 5 8 Per vedere il pannello dei comandi e le posizioni della zona attivare l'apparecchiaturacon Utilizzare i...
Pagina 10 - OptiHeat Control; UTILIZZO QUOTIDIANO; Attivazione e
Tastosenso-re Funzione Commento 7 Spia della zona di cottura Per mostrare quale zona di cottura è attiva. 8 - Barra dei comandi Per impostare un livello di potenza. 9 PowerBoost Per attivare la funzione. 10 Blocco / Dispositivo di Si-curezza bambini Per bloccare/sbloccare il pannello dei co-mandi. 4...
Pagina 11 - Livello di potenza
Rapporto tra livello di potenza e il tempo trascorso il quale si spegne il piano di cottura: Livello di potenza Il piano di cotturasi disattiva dopo 1 - 2 6 ore 3 - 4 5 ore 5 4 ore 6 - 9 1,5 ore 5.3 Livello di potenza Toccare la barra di controllo sull'impostazione di potenza desiderata oppure spost...
Pagina 13 - Limitazione di potenza; funzione Sistema Power; Hob2Hood
• Timer del conto alla rovescia diminuisce • si appoggia un oggetto sul pannello dei comandi. 5.10 Limitazione di potenza All'origine, il piano di cottura è impostato sul massimo livello di potenza possibile. Per ridurre o aumentare il livello di potenza:1. Disattivare il piano di cottura. 2. Sfiora...
Pagina 14 - Modifica della modalità
Per la maggior parte della cappe, il sistema remoto è disattivato all'origine. Attivarlo prima di utilizzare la funzione. Per maggiori informazioni fare riferimento al manuale per l'utente della cappa. Attivazione automatica della funzione Per attivare automaticamente la funzione, impostare la modal...
Pagina 15 - CONSIGLI E SUGGERIMENTI UTILI; Pentole
In questo modo si disattiva il funzionamento automatico della funzione ed è possibile modificare la velocità della ventola manualmente.Quando si preme la velocità della ventola aumenta di un livello. Quando si raggiunge un livello elevato e si premenuovamente la velocità della ventola viene impostat...
Pagina 16 - Consigli e suggerimenti
6.4 Esempi di impiego per la cottura La correlazione tra il livello di potenza e il consumo di energia della zona di cottura non è regolare. L'aumento del livello di potenza non è proporzionale all'aumento del consumo di energia. Ciò significa che una zona di cottura con un livello di potenza medio ...
Pagina 17 - PULIZIA E CURA; Informazioni generali; RISOLUZIONE DEI PROBLEMI
• Non interrompere il segnale tra il piano di cottura e la cappa (ad esempio con la mano o il manico di una pentola o una pentola alta). Vedere la figura. La cappa in figura è riportata a titolo indicativo. Altri dispositivi controllati in modalità remota potrebbero bloccare il segnale. Non usare ap...
Pagina 20 - Se non è possibile trovare; DATI TECNICI; Targhetta dei dati; Caratteristiche tecniche zone di cottura; EFFICIENZA ENERGETICA; Informazioni sul prodotto conformemente a EU 66/2014
8.2 Se non è possibile trovare una soluzione... Qualora non sia possibile trovare una soluzione al problema, contattare il rivenditore o il Centro di Assistenza Autorizzato. Fornire i dati riportati sulla targhetta dei dati. Assicurarsi di aver acceso il piano di cottura correttamente. In caso di az...
Pagina 21 - Risparmio energetico; CONSIDERAZIONI SULL'AMBIENTE
Numero di zone di cottura 3 Tecnologia di calore Induzione Diametro delle zone di cot-tura circolari (Ø) Posteriore sinistraPosteriore centralePosteriore destra 21,0 cm21,0 cm21,0 cm Consumo di energia perzona di cottura (EC electriccooking) Posteriore sinistraPosteriore centralePosteriore destra 19...