AEG HI8610-M- Manuale d'uso

AEG HI8610-M

AEG HI8610-M– Manuale d'uso, leggi gratuitamente online in formato PDF. Speriamo che questo ti aiuti a risolvere eventuali dubbi. Se hai ulteriori domande, contattaci tramite il modulo di contatto.

1 Pagina 1
2 Pagina 2
3 Pagina 3
4 Pagina 4
5 Pagina 5
6 Pagina 6
7 Pagina 7
8 Pagina 8
9 Pagina 9
10 Pagina 10
11 Pagina 11
12 Pagina 12
13 Pagina 13
14 Pagina 14
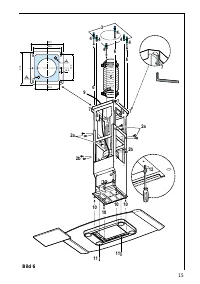
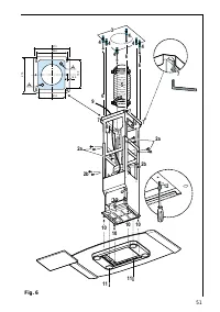
15 Pagina 15
16 Pagina 16
17 Pagina 17
18 Pagina 18
19 Pagina 19
20 Pagina 20
21 Pagina 21
22 Pagina 22
23 Pagina 23
24 Pagina 24
25 Pagina 25
26 Pagina 26
27 Pagina 27
28 Pagina 28
29 Pagina 29
Pagina: / 29

Indice:

  • Pagina 14 – Indice
  • Pagina 15 – Avvertenze per la sicurezza; per l’utente
  • Pagina 17 – Introduzione; Versione aspirante
  • Pagina 18 – Funzionamento della cappa
  • Pagina 20 – Manutenzione e cura; Filtro grassi in metallo
  • Pagina 21 – Filtro al carbone
  • Pagina 22 – Pulizia; Accessori speciali; Servizio assistenza tecnica
  • Pagina 23 – Dettagli tecnici; Accessori di montaggio inclusi:; Collegamento Elettrico; Avvertenze per l’elettricista
Caricamento dell'istruzione

DI 8610
CHDI 8610

Dunstabzugshaube
Afzuigkap
Hotte
Cooker Hood
Cappa aspirante

Montage- und Gebrauchsanweisung
Installatie- en gebruiksaanwijzing
Notice d’utilisation et d’installation
Operating and Installation Instructions
Istruzioni di montaggio ed uso

"Caricamento dell'istruzione" significa che è necessario attendere finché il file non è caricato e pronto per la lettura online. Alcune istruzioni sono molto grandi e il tempo di caricamento dipende dalla velocità della tua connessione a Internet.

Sommario

Pagina 14 - Indice

73 Indice Avvertenze per la sicurezza 74 per l’utente 74 per l’installatore 74 Introduzione 76 Versione aspirante 76 Versione filtrante 76 Funzionamento della cappa 77 Dispositivo per il controllo del filtro grassi e al carbone attivo. 78 Led – indicatore del filtro grassi D 78 Led – indicatore del ...

Pagina 15 - Avvertenze per la sicurezza; per l’utente

74 Avvertenze per la sicurezza per l’utente • Coprire sempre gli elementi accesi per evitare che il calore in eccesso danneggi l’elettrodomestico. Nel caso di fornelli alimentati a gas, petrolio ecarbone evitare le fiamme libere. • Controllare attentamente la frittura di cibi sui piani di cottura /f...

Pagina 17 - Introduzione; Versione aspirante

76 Introduzione Versione aspirante • La cappa è messa in commercio nella versione aspirante ma può anche essere utilizzata nellaversione filtrante installando un filtro al carboneattivo (accessorio speciale). • Per questo tipo di funzionamento sarà necessario il filtro al carbone AEG (vedere Accesso...

Altri modelli di AEG

Tutti i altri AEG